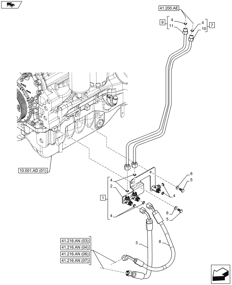
Запчасти Case IH MAXXUM 120 (41.216.AV[03]) - VAR - 330414, 330427, 330429, 330430 - SUSPENDED FRONT AXLE, STEERING TIE-ROD, HYD. LINE (41) - STEERING

Схема запчастей Case IH MAXXUM 120 - (41.216.AV[03]) - VAR - 330414, 330427, 330429, 330430 - SUSPENDED FRONT AXLE, STEERING TIE-ROD, HYD. LINE (41) - STEERING
41.216.an (06)
4
2
4
6
5
9
6
4
5
4
10
11
4
home
7
8
1
41.216.an (03)
3
41.216.an (07)
41.216.an (04)
10.001.ad (01)
41.200.ae
FIT
1:1
100%

Артикул

Название

Примечание

Количество

1

87325469

SUPPORT ASSY.

ASSY, Incl 2, 4 (Qty 6)

1шт.

2

NSS

NOT SOLD SEPARAT

Support, Incl in 1

1шт.

3

82036782

HYDRAULIC HOSE,450.00mm

Steering Right from Pump

1шт.

4

81844851

O-RING,0.07" Thk x 0.364" ID, -12, Cl 6, 90 Duro

8шт.

5

16043221

BOLT,Hex, M8 x 16mm, Cl 8.8, Full Thd

2шт.

6

14496501

WASHER,8.4mm ID x 17mm OD x 1.6mm Thk

2шт.

7

84188755

HYD TUBE,8 mm ID x 10 mm OD

ASSY, Steering Left from Pump, Incl 4 (Qty 1), 10

1шт.

8

87359495

HYDRAULIC HOSE,520.00mm

Steering Left from Pump

1шт.

9

84188754

HYD TUBE,8 mm ID x 10 mm OD

ASSY, Steering with Susp Axle, Incl 4 (Qty 1), 11

1шт.

10

NSS

NOT SOLD SEPARAT

Tube, Incl in 7

1шт.

11

NSS

NOT SOLD SEPARAT

Tube, Incl in 9

1шт.

Выбрано товаров: 11