Запчасти Case IH MAXXUM 120 (41.432.AE[03A]) - VAR - 332077, 335077, 391658 - AUTOGUIDANCE, VALVE, MANIFOLD, HOSE - BEGIN YR 24-NOV-2014 (41) - STEERING

Схема запчастей Case IH MAXXUM 120 - (41.432.AE[03A]) - VAR - 332077, 335077, 391658 - AUTOGUIDANCE, VALVE, MANIFOLD, HOSE - BEGIN YR 24-NOV-2014 (41) - STEERING
41.432.ae (01)
12
1
9
7
6
3
8
3
5
4
2
5
9
13
9
12
2
9
13
4
11
home
10
FIT
1:1
100%

Артикул

Название

Примечание

Количество

1

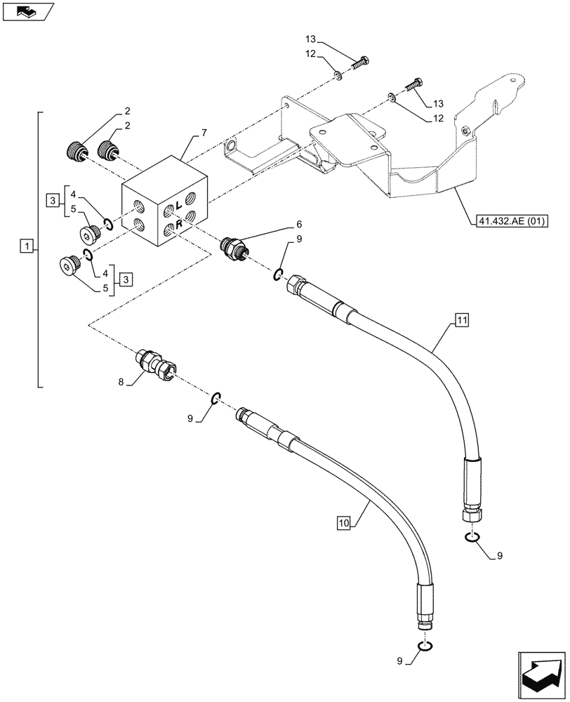
47704516

MANIFOLD VALVE

ASSY, Incl 2 - 8

1шт.

2

47610637

FITTING

2шт.

3

1009480

PLUG,Hex, M18 x 1.5

ASSY, Incl 4 (Qty 1), 5

2шт.

4

83999938

SEAL,15.7mm ID x 20.9mm OD x 1.5mm Thk

2шт.

5

NSS

NOT SOLD SEPARAT

Plug, Incl in 3

2шт.

6

47448751

HYD CONNECTOR,M18 x 1.5 ORB, 11/16" - 16 ORFS

3шт.

7

47642553

MANIFOLD

1шт.

8

47707119

FITTING,M18 x 1.5, 11/16" - 16 ORFS

1шт.

9

9993141

O-RING,0.07" Thk x 0.364" ID, -12, Cl 6, 90 Duro

4шт.

10

47706100

HOSE,10mm ID x 445mm L

R Line, ASSY, Incl 9 (Qty 2)

1шт.

11

47642572

HOSE

L Line, ASSY, Incl 9 (Qty 2)

1шт.

12

86588450

WASHER,6.6mm ID x 12mm OD x 1.6mm Thk

2шт.

13

120100

BOLT,M6 x 20mm, Cl 8.8

2шт.

Выбрано товаров: 13