Запчасти Case IH MAXXUM 120 (41.432.AE[04]) - VAR - 332077, 335077, 391658 - AUTOGUIDANCE, VALVE, COMPONENTS (41) - STEERING

Схема запчастей Case IH MAXXUM 120 - (41.432.AE[04]) - VAR - 332077, 335077, 391658 - AUTOGUIDANCE, VALVE, COMPONENTS (41) - STEERING
55.680.bb
12
20
10
4
3
16
13
14
home
8
24
2
6
25
19
18
22
9
11
17
5
23
7
21
1
15
55.680.bb
FIT
1:1
100%

Артикул

Название

Примечание

Количество

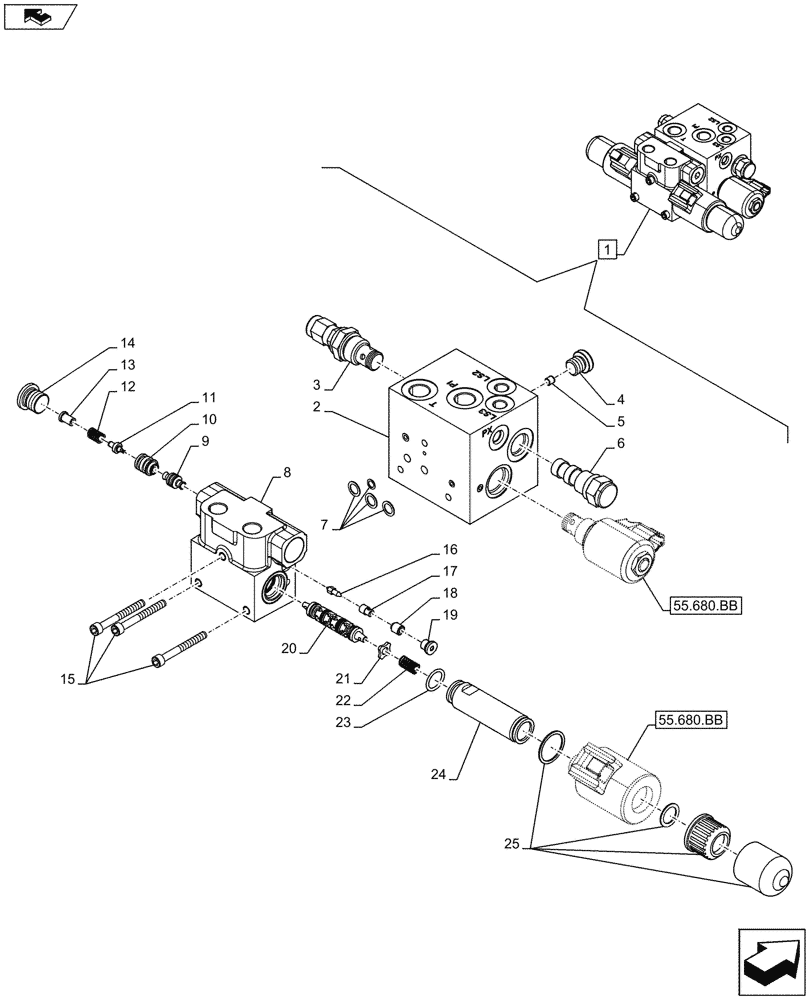
1

47499302

VALVE SECTION

ASSY, Incl 2 - 25

1шт.

See also Valve Components in Figure 55.680.BB

1шт.

2

NSS

NOT SOLD SEPARAT

Manifold, Incl in 1

1шт.

3

47619655

VALVE PRESSURE RELIE

1шт.

4

84289784

PLUG

1шт.

5

NSS

NOT SOLD SEPARAT

Orifice, Incl in 1

1шт.

6

84160409

SHUT-OFF VALVE

1шт.

7

84160427

SEAL

KIT

1шт.

8

87696384

PILOT VALVE

1шт.

9

NSS

NOT SOLD SEPARAT

Piston, Incl in 1

1шт.

10

NSS

NOT SOLD SEPARAT

Main Poppet, Incl in 1

2шт.

11

NSS

NOT SOLD SEPARAT

Decompression Poppet, Incl in 1

2шт.

12

NSS

NOT SOLD SEPARAT

Spring, Incl in 1

2шт.

13

NSS

NOT SOLD SEPARAT

Spring Guide, Incl in 1

2шт.

14

84289783

PLUG,Hex, 3/8" - 19

2шт.

15

14304871

HEX SOC SCREW,M6 x 55mm, Cl 12.9

3шт.

16

NSS

NOT SOLD SEPARAT

LS Shuttle Pin, Incl in 1

1шт.

17

NSS

NOT SOLD SEPARAT

LS Seat, Incl in 1

1шт.

18

NSS

NOT SOLD SEPARAT

Screw, Incl in 1

1шт.

19

86632547

PLUG,Hex, 5/16"-24 ORB

1шт.

20

NSS

NOT SOLD SEPARAT

Spool, Incl in 1

1шт.

21

NSS

NOT SOLD SEPARAT

Washer, Incl in 1

2шт.

22

NSS

NOT SOLD SEPARAT

Spring, Incl in 1

2шт.

23

NSS

NOT SOLD SEPARAT

Coretube S Seal, Incl in 1

2шт.

24

NSS

NOT SOLD SEPARAT

Coretube S, Incl in 1

2шт.

25

84160386

SEAL

KIT

2шт.

Выбрано товаров: 26