Запчасти Case IH MAXXUM 120 (55.047.AA[02]) - VAR - 330414 - CLASS 3, SUSPENDED FRONT AXLE WITH HYDR. DIFF. LOCK & STRG SENSOR, STEERING, SENSOR (55) - ELECTRICAL SYSTEMS

Схема запчастей Case IH MAXXUM 120 - (55.047.AA[02]) - VAR - 330414 - CLASS 3, SUSPENDED FRONT AXLE WITH HYDR. DIFF. LOCK & STRG SENSOR, STEERING, SENSOR (55) - ELECTRICAL SYSTEMS
25.100.ad (02)
7
12
6
11
4
15
14
5
3
8
10
9
16
13
home
2
1
FIT
1:1
100%

Артикул

Название

Примечание

Количество

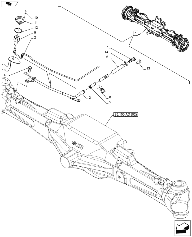
1

84181140

LIVE FRONT AXLE

ASSY, Incl 2 - 16

1шт.

See also Axle Components in Figure 25.100.AA (02), 25.100.AD (02), 25.102.AC (05), 25.102.AD (02), 25.102.AS (02), 25.108.AA (02), 25.108.AB (01), 25.108.AB (03), 25.108.AG (02), 25.108.AN (02), 41.106.AD (01), 41.216.AN (03)

1шт.

2

87616286

ELEC CONNECTOR

1шт.

3

87717287

HYD TUBE,12mm OD

1шт.

4

15540324

SCREW,Hex, M12 x 1.25 x 25mm, Cl 8.8, Full Thd

1шт.

5

87619680

FLEXIBLE SHEATH

1шт.

6

87619627

HOSE PROTECTION

Termoreduction, 85mm

1шт.

7

82918426

ELEC CONNECTOR,Female

1шт.

8

10441490

COLLAR,14mm, Coat, 7mm Bolt Hole, P Type

14mm

1шт.

9

87627614

SENSOR

Steering

1шт.

10

13299218

SCREW,Pozidriv Flat Hd, Csk, M5 x 12mm, Cl 5.8

3шт.

11

84384510

TOP

1шт.

12

14458280

O-RING,31.42mm ID x 2.62mm

1шт.

13

82918419

PLUG

1шт.

14

82918451

SPACER

1шт.

15

87315098

SHIELD

1шт.

16

14641591

RIVET,Pop, Truss Hd, M3.20 x 12mm, AL, PLN

2шт.

Выбрано товаров: 17