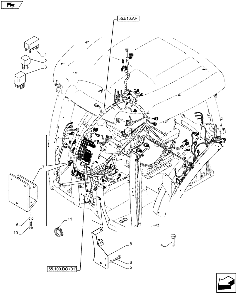
Запчасти Case IH MAXXUM 120 (55.100.DO[02]) - VAR - 331619, 335937, 391610 - FUSE BOX, HOLDER (55) - ELECTRICAL SYSTEMS

Схема запчастей Case IH MAXXUM 120 - (55.100.DO[02]) - VAR - 331619, 335937, 391610 - FUSE BOX, HOLDER (55) - ELECTRICAL SYSTEMS
4
55.510.af
10
8
home
5
55.100.do (01)
9
6
2
11
7
3
1
FIT
1:1
100%

Артикул

Название

Примечание

Количество

1

87304226

RELAY,12V, Combined, Black

Combined Wiper Module

1шт.

2

82030798

RELAY,12V, 70A

70A

2шт.

2

82013124

RELAY,12V, 30A

30A

2шт.

3

84543528

RELAY,12V, 20A, Micro

10/20A

9шт.

4

83929012

CAPTIVE WASHER SCREW,HWH, M6.3 x 1.8 x 20mm

2шт.

5

10519404

WASHER,6.4mm ID x 11.95mm OD x 1.6mm Thk

2шт.

6

86508568

BOLT,Hex, M6 x 1 x 16mm, Cl 8.8

2шт.

7

47415938

BRACKET

1шт.

8

87597230

SUPPORT

1шт.

9

14496501

WASHER,8.4mm ID x 17mm OD x 1.6mm Thk

2шт.

10

120103

BOLT,M8 x 1.25 x 16mm, Cl 8.8

2шт.

11

14560287

CABLE TIE,207.00mm L

5шт.

Выбрано товаров: 12