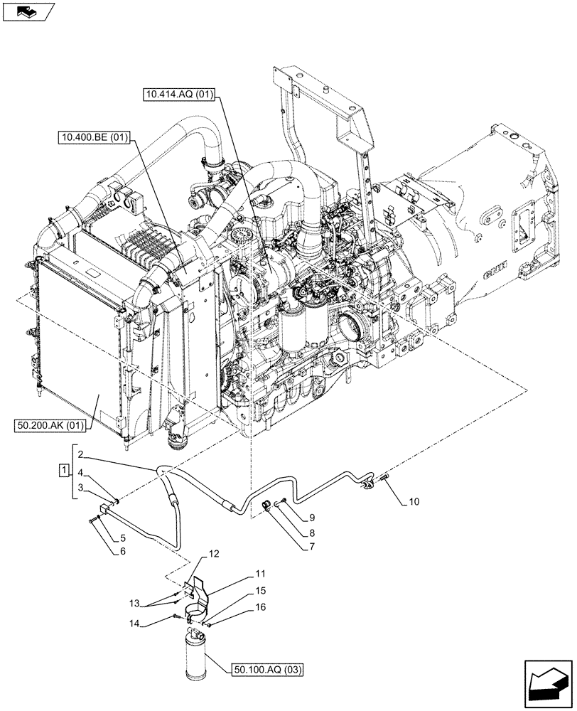
Запчасти Case IH MAXXUM 130 (50.100.AQ[04]) - VAR - 390643 - CONDENSER, LINE (50) - CAB CLIMATE CONTROL

Схема запчастей Case IH MAXXUM 130 - (50.100.AQ[04]) - VAR - 390643 - CONDENSER, LINE (50) - CAB CLIMATE CONTROL
7
12
15
14
2
home
10.400.be (01)
5
16
11
6
4
13
3
10.414.aq (01)
8
10
50.200.ak (01)
9
50.100.aq (03)
1
FIT
1:1
100%

Артикул

Название

Примечание

Количество

1

47368834

A/C HOSE

ASSY, Incl 2 - 18

1шт.

2

82000793

O-RING,1.78mm Thk x 7.65mm ID, -11, 70 Duro

1шт.

3

84418845

BRACKET

1шт.

4

84418846

BRACKET

1шт.

5

10615279

LOCK WASHER,M4, Serr

2шт.

6

14303021

SCREW,M4 x 12mm, Cl 8.8, Full Thd

2шт.

7

10318883

O-RING,8.1mm ID x 1.6mm Width

1шт.

8

82007847

O-RING,1.8mm Thk x 6.7mm ID

1шт.

9

NSS

NOT SOLD SEPARAT

Pipe, Incl in 15

1шт.

10

NSS

NOT SOLD SEPARAT

Bracket, Incl in 15

1шт.

11

NSS

NOT SOLD SEPARAT

Bracket, Incl in 15

1шт.

12

NSS

NOT SOLD SEPARAT

Pipe, Incl in 15

1шт.

13

NSS

NOT SOLD SEPARAT

Pipe, Incl in 15

1шт.

14

10319983

O-RING,1.6mm Thk x 16.1mm ID

1шт.

15

82007848

O-RING,2.4mm Thk x 13.4mm ID

1шт.

16

86625220

HEX SOC SCREW,M8 x 25mm, Cl 8.8

2шт.

Выбрано товаров: 16