Запчасти Case IH MAXXUM 135 (25.102.AC[15]) - VAR - 758427, 758428 - SUSPENDED FRONT AXLE WITH HYDR. DIFF. LOCK & STRG SENSOR, DIFFERENTIAL, CARRIER (25) - FRONT AXLE SYSTEM

Схема запчастей Case IH MAXXUM 135 - (25.102.AC[15]) - VAR - 758427, 758428 - SUSPENDED FRONT AXLE WITH HYDR. DIFF. LOCK & STRG SENSOR, DIFFERENTIAL, CARRIER (25) - FRONT AXLE SYSTEM
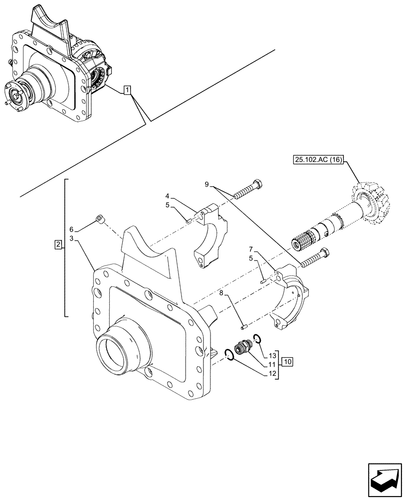
25.102.ac (16)
5
6
4
1
7
8
9
13
12
10
2
11
3
5
FIT
1:1
100%

Артикул

Название

Примечание

Количество

1

84294287

DIFFERENTIAL ASSY

ASSY, Incl 2 - 13

1шт.

See also Differential Components in Figure 25.102.AC (16), 25.102.AE (03)

1шт.

2

87491166

SUPPORT

ASSY, Incl 3 - 9

1шт.

3

NSS

NOT SOLD SEPARAT

Support, Incl in 2

1шт.

4

NSS

NOT SOLD SEPARAT

Cover, Incl in 2

1шт.

5

4966244

PIN,5mm OD x 15mm L

2шт.

6

14326001

PLUG,Hex Skt, M10 x 1.25 x 11mm, Cl 4.8

1шт.

7

NSS

NOT SOLD SEPARAT

Support, Incl in 2

1шт.

8

10333210

DOWEL,M4 x 10.00mm

1шт.

9

14275334

BOLT,Lock, Hex, M12 x 1.25 x 70mm, Cl 10.9

4шт.

10

82019693

HYD CONNECTOR,11/16" - 16 ORFS x M14 x 1.5 ORFS

ASSY, Incl 11 - 13

1шт.

11

NSS

NOT SOLD SEPARAT

Connector, Incl in 10

1шт.

12

81844851

O-RING,0.07" Thk x 0.364" ID, -12, Cl 6, 90 Duro

1шт.

13

82019811

SEAL,11.6mm ID x 16.5mm OD x 1.5mm Thk

1шт.

Выбрано товаров: 14