Запчасти Case IH MAXXUM 135 (10.000.00[01]) - SECTION INDEX - ENGINE (10) - ENGINE

Схема запчастей Case IH MAXXUM 135 - (10.000.00[01]) - SECTION INDEX - ENGINE (10) - ENGINE
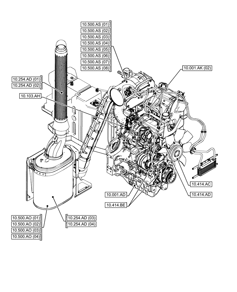
10.414.ad
10.500.ao (02)
10.001.ak (02)
10.500.as (03)
10.500.as (04)
10.500.as (01)
10.254.ad (01)
10.254.ad (02)
10.500.as (02)
10.254.ad (03)
10.500.ao (01)
10.254.ad (04)
10.500.as (05)
10.500.ao (04)
10.414.ac
10.500.ao (03)
10.500.as (06)
10.500.as (07)
10.103.ah
10.001.ad
10.500.as (08)
10.414.be
FIT
1:1
100%