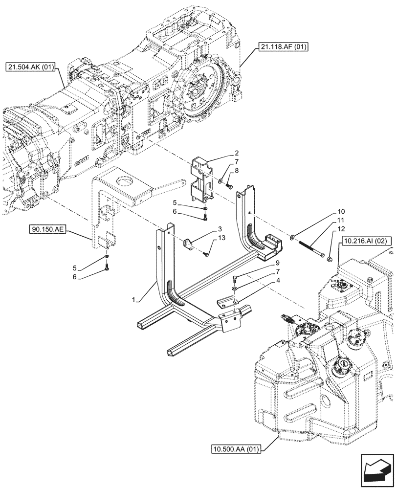
Запчасти Case IH MAXXUM 135 (10.216.AI[01]) - VAR - 390142, 758404 - FUEL TANK, SUPPORT (10) - ENGINE

Схема запчастей Case IH MAXXUM 135 - (10.216.AI[01]) - VAR - 390142, 758404 - FUEL TANK, SUPPORT (10) - ENGINE
21.118.af (01)
3
10
13
5
2
7
5
6
7
11
8
12
6
9
4
1
90.150.ae
10.216.ai (02)
21.504.ak (01)
10.500.aa (01)
FIT
1:1
100%

Артикул

Название

Примечание

Количество

1

47743759

SUPPORT

1шт.

2

47515312

BRACKET

1шт.

3

84419896

BRACKET

1шт.

4

47514841

BRACKET

1шт.

5

47130824

LOCK WASHER,Nordlock, 10.70mm ID x 21.00mm OD x 2.50mm

2шт.

6

9515003

BOLT,Hex, M10 x 1.5 x 30mm, Cl 10.9

2шт.

7

140046

BELLEVILLE WASHER,M12 Bolt Size x 27mm OD x 1.8mm Thk

4шт.

8

86637971

BOLT,Hex, M12 x 1.25 x 30mm, Cl 8.8, Full Thd

2шт.

9

9706687

BOLT,M12 x 1.75 x 30mm, Cl 8.8

2шт.

10

87528989

WASHER,12.2mm ID x 30mm OD x 2.5mm Thk

1шт.

11

336383

BOLT,Hex, M12 x 1.75 x 180mm, Cl 8.8

1шт.

12

84291550

CAP

1шт.

13

9671714

FLANGE BOLT,Hex, M8 x 1.25 x 25mm, Cl 8.8

1шт.

Выбрано товаров: 0