Запчасти Case IH MAXXUM 135 (10.216.BA[04]) - VAR - 758223, 758235, 758240, 758241, 758530, 758533 - FUEL TANK, LINE, 4 CYLINDER (10) - ENGINE

Схема запчастей Case IH MAXXUM 135 - (10.216.BA[04]) - VAR - 758223, 758235, 758240, 758241, 758530, 758533 - FUEL TANK, LINE, 4 CYLINDER (10) - ENGINE
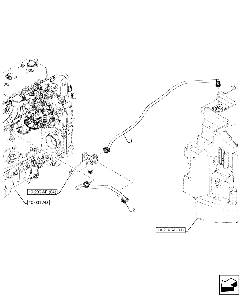
10.001.ad
10.206.af (04)
2
10.216.ai (01)
1
FIT
1:1
100%

Артикул

Название

Примечание

Количество

1

47477741

FUEL TUBE

1шт.

2

47468464

FUEL TUBE

1шт.

Выбрано товаров: 2