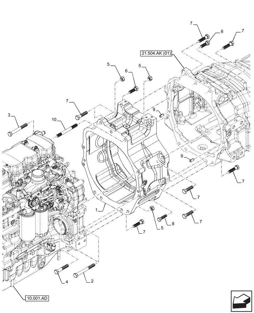
Запчасти Case IH MAXXUM 135 (21.504.AK[04]) - VAR - 396247, 758442, 758549 - TRANSMISSION HOUSING, SPACER (21) - TRANSMISSION

Схема запчастей Case IH MAXXUM 135 - (21.504.AK[04]) - VAR - 396247, 758442, 758549 - TRANSMISSION HOUSING, SPACER (21) - TRANSMISSION
10.001.ad
2
5
9
3
7
7
7
8
1
5
7
7
10
7
7
6
5
4
6
9
21.504.ak (01)
FIT
1:1
100%

Артикул

Название

Примечание

Количество

1

47556462

SPACER

1шт.

2

15982334

BOLT,Hex, M16 x 1.5 x 150mm, Cl 10.9

2шт.

3

15982134

BOLT,Hex, M16 x 1.5 x 140mm, Cl 10.9

2шт.

4

15981534

BOLT,Hex, M16 x 1.5 x 90mm, Cl 10.9

2шт.

5

12164124

NUT,M16 x 1.5, Cl 8

4шт.

6

15840534

BOLT,Hex, M16 x 1.5 x 50mm, Cl 10.9, Full Thd

2шт.

7

15981234

BOLT,Hex, M16 x 1.5 x 65mm, Cl 10.9

10шт.

8

11254134

SCREW,Hex, M16 x 1.5 x 80mm, Cl 10.9

2шт.

9

86505157

DOWEL,1/2" x 1"

2шт.

10

13563330

THREADED ROD

2шт.

Выбрано товаров: 10