Качественные детали и логистика
Оригинальные и аналоговые запчасти с доставкой по России, Казахстану и Беларуси
©2022 PartSell ООО "Система" ИНН 2463123282 ОГРН 1212400004838
Центральный офис: г. Красноярск, Академика Киренского, д.87, пом.4
Телефон: 8 (800) 777-65-74 Email: zakaz@partsell.ru
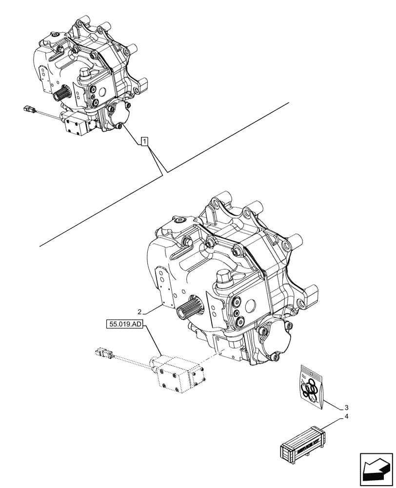
(21.507.AD[03]) - VAR - 396247, 758442, 758549 - HYDROSTATIC PUMP, COMPONENTS
№
Артикул
Название
Примечание
Количество
1
47714391
HYDROSTATIC PUMP
ASSY, Incl 2, 3
1шт.
2
NSS
NOT SOLD SEPARAT
Hydrostatic Pump, Incl in 1
3
47871755
SEAL KIT
Hydrostatic Pump
4
47798576
GEARBOX
Transmission ASSY, Incl 1 - 4
See all the Included Components by Searching for the PN 47798576
Выбрано товаров: 0