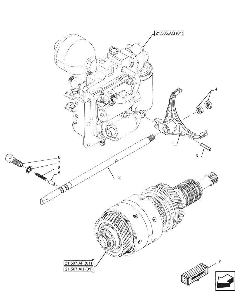
Запчасти Case IH MAXXUM 135 (21.507.AJ) - VAR - 396247, 758442, 758549 - TRANSMISSION, FORK (21) - TRANSMISSION

Схема запчастей Case IH MAXXUM 135 - (21.507.AJ) - VAR - 396247, 758442, 758549 - TRANSMISSION, FORK (21) - TRANSMISSION
21.507.af (01)
3
9
7
5
2
1
6
8
4
21.507.ah (01)
21.505.aq (01)
FIT
1:1
100%

Артикул

Название

Примечание

Количество

1

87362963

SHIFTER FORK,144.4mm Int

1шт.

2

84560208

ROD

1шт.

3

13913670

ROLL PIN,M8 x 40, Coiled

1шт.

4

10791411

THIN NUT,Thin, M16, 1.50mm Pitch, 8.00mm High, Cl 04, ZND

2шт.

5

5166394

PAWL,10mm OD x 25mm L

1шт.

6

87612768

SCREW,M16 x 45mm

1шт.

7

5167639

SEALING WASHER,13.4mm ID x 24mm OD x 1.5mm Thk

1шт.

8

5166393

SPRING,8mm OD x 43mm L

1шт.

9

47798576

GEARBOX

Transmission ASSY, Incl 1 - 8

1шт.

See all the Included Components by Searching for the PN 47798576

1шт.

Выбрано товаров: 10