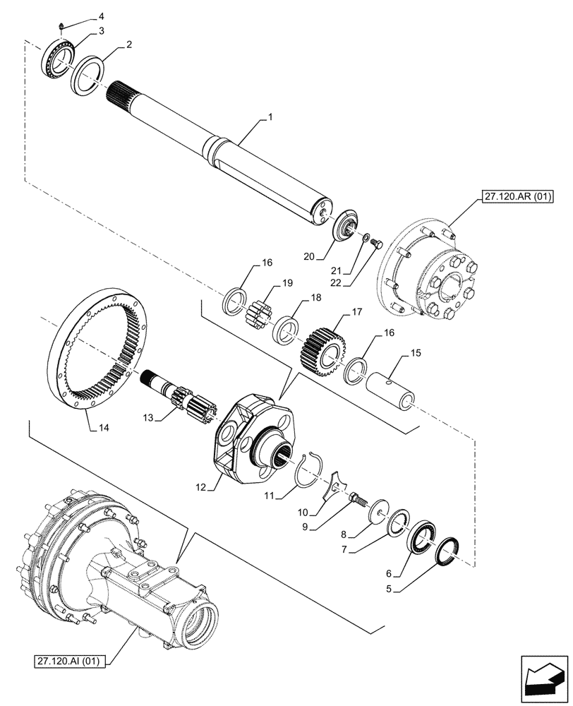
Запчасти Case IH MAXXUM 135 (27.120.AF[02]) - VAR - 758538, 758539 - FINAL DRIVE, SHAFT & GEAR, DOUBLE SIZE, WHEELS (27) - REAR AXLE SYSTEM

Схема запчастей Case IH MAXXUM 135 - (27.120.AF[02]) - VAR - 758538, 758539 - FINAL DRIVE, SHAFT & GEAR, DOUBLE SIZE, WHEELS (27) - REAR AXLE SYSTEM
27.120.ai (01)
12
8
7
5
16
6
1
19
17
2
18
16
22
11
15
10
13
21
3
14
4
20
9
27.120.ar (01)
FIT
1:1
100%

Артикул

Название

Примечание

Количество

1

5199541

AXLE,920mm L

920mm

1шт.

2

5199548

OIL SEAL,95.00mm ID x 130.00mm OD x 16.00mm

1шт.

3

24903490

BEARING ASSY,80mm ID x 125mm OD x 29mm W

1шт.

4

13407211

LUBE NIPPLE,M10 x 1

1шт.

5

5152364

OIL SEAL,75mm ID x 95mm OD x 10mm Thk

1шт.

6

24903470

BEARING ASSY,70mm ID x 110mm OD x 25mm W

1шт.

7

5152126

THRUST WASHER,64mm ID x 70.5mm OD x 5mm Thk

1шт.

8

4996965

DISC,18.5mm ID x 82mm OD x 8mm Thk

1шт.

9

47638419

BOLT,Hex, M18 x 1.50 x 50mm, Cl 10.9

1шт.

10

47621155

PLATE

1шт.

11

4998880

SNAP RING,4mm Thk, Ext

1шт.

12

47523097

PLANET CARRIER

2шт.

13

47523091

DRIVE SHAFT,294mm L

294mm

1шт.

14

5191492

RING GEAR,69T

Z 69

1шт.

15

5145988

PIN

3шт.

16

5145983

THRUST WASHER,53.6mm ID x 84mm OD x 1mm Thk

6шт.

17

47123857

GEAR,28T

Z 28

3шт.

18

5145984

SPACER

3шт.

19

5145981

ROLLER BEARING,55.5mm ID x 67.5mm OD x 52mm W

3шт.

20

47798621

COVER

1шт.

21

14497121

WASHER,21mm ID x 37mm OD x 3mm Thk

1шт.

22

11121321

BOLT,Hex, M20 x 2.5 x 35mm, Cl 8.8, Full Thd

M20 x 2.5mm x 35mm

1шт.

Выбрано товаров: 22