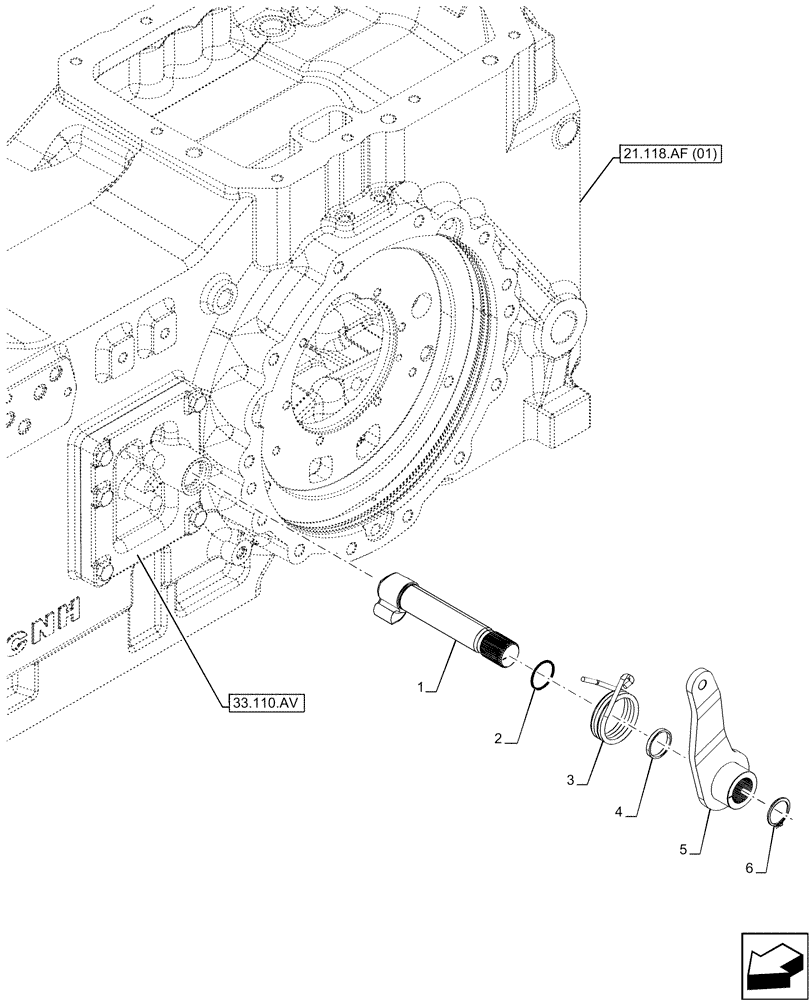
Запчасти Case IH MAXXUM 135 (33.110.AP[02]) - VAR - 396247, 758442, 758549 - PARKING BRAKE, EXTERNAL CONTROL (33) - BRAKES & CONTROLS

Схема запчастей Case IH MAXXUM 135 - (33.110.AP[02]) - VAR - 396247, 758442, 758549 - PARKING BRAKE, EXTERNAL CONTROL (33) - BRAKES & CONTROLS
21.118.af (01)
5
4
6
1
2
3
33.110.av
FIT
1:1
100%

Артикул

Название

Примечание

Количество

1

47127313

LEVER

1шт.

2

14458080

O-RING,0.103" Thk x 1.11" ID, -122, Cl 5, 75 Duro

1шт.

3

5178904

SPRING

1шт.

4

5198146

SHIM,28.1mm ID x 31.9mm OD x 4mm Thk

1шт.

5

47130368

LEVER

1шт.

6

11067676

SNAP RING,M28, Ext

1шт.

Выбрано товаров: 6