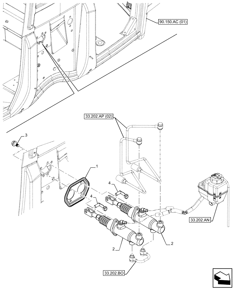
Запчасти Case IH MAXXUM 135 (33.202.AR) - VAR - 396247, 758442, 758549 - BRAKE, MASTER CYLINDER (33) - BRAKES & CONTROLS

Схема запчастей Case IH MAXXUM 135 - (33.202.AR) - VAR - 396247, 758442, 758549 - BRAKE, MASTER CYLINDER (33) - BRAKES & CONTROLS
33.202.an
4
2
2
3
4
1
33.202.bo
33.202.ap (02)
90.150.ac (01)
FIT
1:1
100%

Артикул

Название

Примечание

Количество

1

82038628

RETAINER CUP

1шт.

2

84603968

MASTER CYLINDER

2шт.

3

13632821

CAPTIVE WASHER SCREW,M8 x 25mm

4шт.

4

87316560

PIN,10mm OD x 23mm L

2шт.

Выбрано товаров: 4