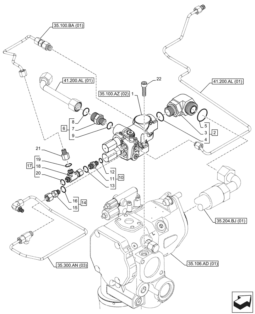
Запчасти Case IH MAXXUM 135 (35.100.AZ[01]) - VAR - 391223, 758538, 758539 - PRIORITY VALVE (35) - HYDRAULIC SYSTEMS

Схема запчастей Case IH MAXXUM 135 - (35.100.AZ[01]) - VAR - 391223, 758538, 758539 - PRIORITY VALVE (35) - HYDRAULIC SYSTEMS
35.106.ad (01)
12
9
5
16
17
11
15
7
8
13
19
20
21
14
3
4
2
6
18
10
22
1
35.100.ba (01)
35.204.bj (01)
41.200.al (01)
41.200.al (01)
35.300.an (03)
35.100.az (02)
FIT
1:1
100%

Артикул

Название

Примечание

Количество

1

84575181

VALVE

1шт.

2

87010650

ELBOW,90 Degree, 1 7/16"-12 ORFS x M27 x 2 ORB

ASSY, Incl 3 - 5

1шт.

3

NSS

NOT SOLD SEPARAT

Elbow, Incl in 2

1шт.

4

86598103

O-RING,2.9mm Thk x 23.6mm ID, Cl 6, 90 Duro

1шт.

5

9824050

O-RING,0.07" Thk x 0.926" ID, -21, Cl 6, 90 Duro

1шт.

6

86579679

HYD CONNECTOR,1"-14 ORFS x M18 x 1.5 ORB

ASSY, Incl 7 - 9

1шт.

7

NSS

NOT SOLD SEPARAT

Connector, Incl in 6

1шт.

8

86598101

O-RING,2.2mm Thk x 15.3mm ID, Cl 6, 90 Duro

1шт.

9

9992069

O-RING,0.07" Thk x 0.614" ID, -16, Cl 6, 90 Duro

1шт.

10

86593173

HYD CONNECTOR,9/16"-18 ORFS x M12 x 1.5 ORB

ASSY, Incl 11 - 13

1шт.

11

NSS

NOT SOLD SEPARAT

Connector, Incl in 10

1шт.

12

86598098

O-RING,2.2mm Thk x 9.3mm ID, Cl 6, 90 Duro

1шт.

13

9825770

O-RING,0.07" Thk x 0.301" ID, -11, Cl 6, 90 Duro

1шт.

14

84182082

HYD CONNECTOR,9/16"-18 x M12 x 1.5 ORB

ASSY, Incl 15, 16

1шт.

15

NSS

NOT SOLD SEPARAT

Connector, Incl in 14

1шт.

16

14437685

O-RING,9.30mm ID x 2.40mm

1шт.

17

83961945

TEE,9/16"-18 ORFS x 9/16"-18 Fem Sw Run

ASSY, Incl 18 - 20

1шт.

18

NSS

NOT SOLD SEPARAT

Tee, Incl in 17

1шт.

19

9993141

O-RING,0.07" Thk x 0.364" ID, -12, Cl 6, 90 Duro

1шт.

20

81844850

O-RING,0.07" Thk x 0.301" ID, -11, Cl 6, 90 Duro

1шт.

21

87668376

CAP,9/16"-18 Inch THD

1шт.

22

14420321

HEX SOC SCREW,M10 x 35mm, Cl 8.8

4шт.

Выбрано товаров: 22