Запчасти Case IH MAXXUM 135 (35.160.AB[08]) - VAR - 743699, 743700 - HITCH, FRONT, INTEGRATED HYDRAULIC LIFT, CYLINDER, LINE (35) - HYDRAULIC SYSTEMS

Схема запчастей Case IH MAXXUM 135 - (35.160.AB[08]) - VAR - 743699, 743700 - HITCH, FRONT, INTEGRATED HYDRAULIC LIFT, CYLINDER, LINE (35) - HYDRAULIC SYSTEMS
37.166.ad (03)
4
5
10
11
3
11
11
10
8
9
6
7
12
4
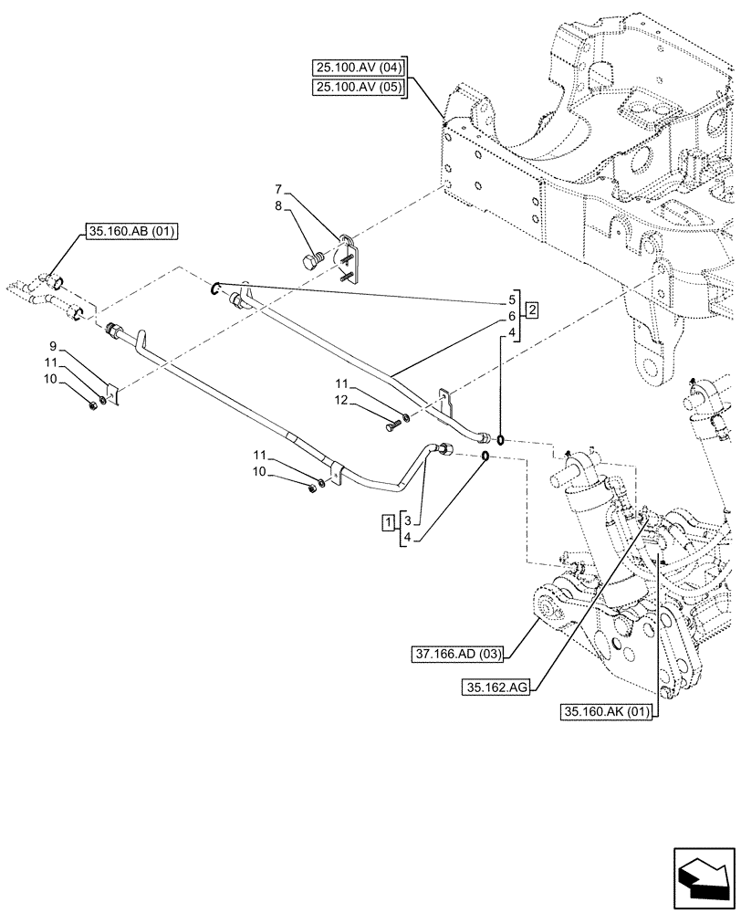
1
2
35.162.ag
25.100.av (04)
25.100.av (05)
35.160.ak (01)
35.160.ab (01)
FIT
1:1
100%

Артикул

Название

Примечание

Количество

1

47881232

PIPE

ASSY, from Mid Mount Valve Line to Accumulator, Incl 3, 4 (Qty 1)

1шт.

2

47881201

PIPE

ASSY, from Cylinder Line to Mid Mount Valve Line, Incl 4 (Qty 1), 5, 6

1шт.

3

NSS

NOT SOLD SEPARAT

Pipe, Incl in 1

1шт.

4

9992069

O-RING,0.07" Thk x 0.614" ID, -16, Cl 6, 90 Duro

2шт.

5

9992298

O-RING,0.07" Thk x 0.489" ID, -14, Cl 6, 90 Duro

1шт.

6

NSS

NOT SOLD SEPARAT

Pipe, Incl in 2

1шт.

7

47705329

BRACKET

1шт.

8

11121321

BOLT,Hex, M20 x 2.5 x 35mm, Cl 8.8, Full Thd

M20 x 35

1шт.

9

47057074

CLAMP,48.6mm x 30mm

1шт.

10

9706690

NUT,M8 x 1.25, Cl 8

2шт.

11

86624184

WASHER,9mm ID x 16mm OD x 1.6mm Thk

3шт.

12

43127

BOLT,Hex, M8 x 1.25 x 25mm, Cl 8.8

1шт.

Выбрано товаров: 12