Запчасти Case IH MAXXUM 135 (35.160.AB[11]) - VAR - 758473 - REMOTE CONTROL VALVE, W/ MECHANICAL ENGAGEMENT, LINES (35) - HYDRAULIC SYSTEMS

Схема запчастей Case IH MAXXUM 135 - (35.160.AB[11]) - VAR - 758473 - REMOTE CONTROL VALVE, W/ MECHANICAL ENGAGEMENT, LINES (35) - HYDRAULIC SYSTEMS
35.160.ab (11)
2
3
5
7
4
11
12
1
9
4
6
10
7
8
37.110.ac (01)
6
35.204.be (01)
FIT
1:1
100%

Артикул

Название

Примечание

Количество

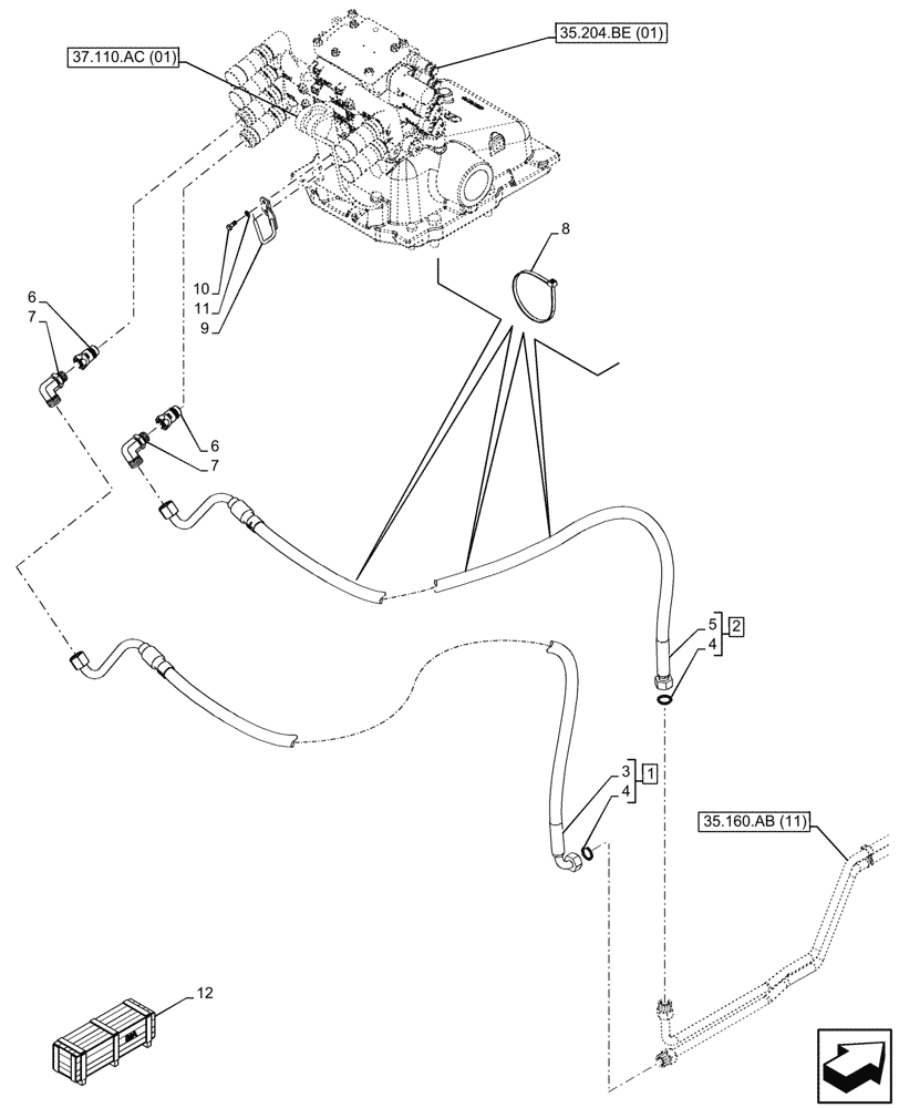
1

47945012

PIPE,12.5 ID x 2140mm L

ASSY, from Front Hydraulic Power Lift to Mechanical rear Remote Valve, 12.5 ID x 2140mm, Incl 3, 4 (Qty 1)

1шт.

2

47945010

PIPE,12.5 ID x 2115mm L

ASSY, from Front Hydraulic Power Lift to Mechanical rear Remote Valve, 12.5 ID x 2115mm, Incl 4 (Qty 1), 5

1шт.

3

NSS

NOT SOLD SEPARAT

Pipe, Incl in 1

1шт.

4

9992069

O-RING,0.07" Thk x 0.614" ID, -16, Cl 6, 90 Duro

2шт.

5

NSS

NOT SOLD SEPARAT

Pipe, Incl in 2

1шт.

6

84227699

90 ELBOW

2шт.

7

83972881

COUPLING

2шт.

8

14560287

CABLE TIE,207.00mm L

3шт.

9

47945014

SUPPORT

1шт.

10

86508568

BOLT,Hex, M6 x 1 x 16mm, Cl 8.8

2шт.

11

86588450

WASHER,6.6mm ID x 12mm OD x 1.6mm Thk

2шт.

12

710063124

DIA KIT, TRACTOR

Front Linkage for Supersteer Axle, W/O PTO, W/O Auxiliar Coupler, Incl 1 - 11

1шт.

Valid for New Holland Models

1шт.

To See Full DIA KIT Composition Look for all the Figures Where the DIA KIT P/N Is Shown

1шт.

Выбрано товаров: 14