Запчасти Case IH MAXXUM 135 (35.204.BE[01]) - VAR - 390856, 743733 - QUICK COUPLER, COMPONENTS (35) - HYDRAULIC SYSTEMS

Схема запчастей Case IH MAXXUM 135 - (35.204.BE[01]) - VAR - 390856, 743733 - QUICK COUPLER, COMPONENTS (35) - HYDRAULIC SYSTEMS
37.110.ap
7
1
2
6
4
9
5
5
9
8
3
21.118.af (01)
35.204.be (02)
FIT
1:1
100%

Артикул

Название

Примечание

Количество

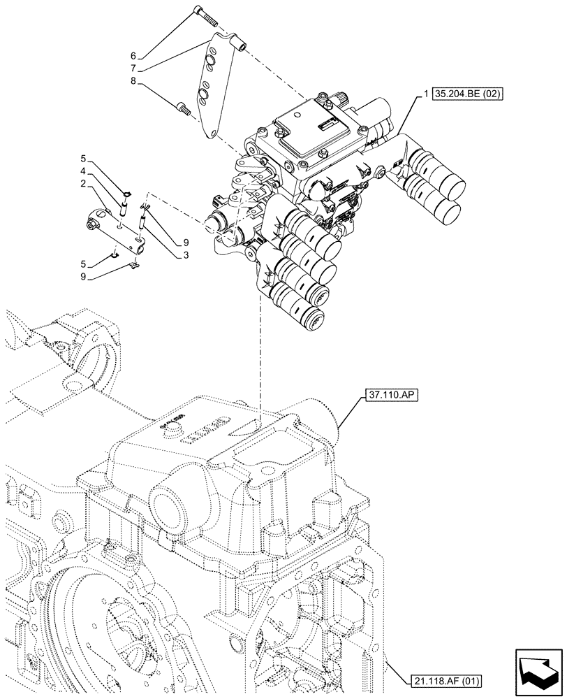
1

47628682

DISTRIBUTOR

ASSY

1шт.

2

87358094

LEVER

3шт.

3

5193177

PIN,6mm OD x 29.48mm L

3шт.

4

5113008

PIN,8mm OD x 26mm L

3шт.

5

11065676

SNAP RING,M8, Ext

6шт.

6

14306721

HEX SOC SCREW,M8 x 48mm, Cl 8.8

1шт.

7

84486547

BRACKET

1шт.

8

14306221

HEX SOC SCREW,M8 x 16mm, Cl 8.8, Full Thd

1шт.

9

11063971

SPRING CLIP,M6

6шт.

Выбрано товаров: 9