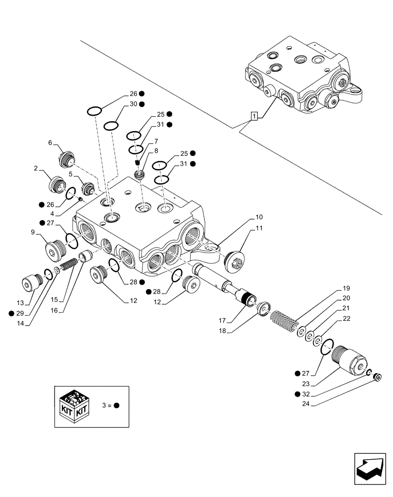
Запчасти Case IH MAXXUM 135 (35.204.BE[09]) - VAR - 396844, 743685, 743686, 743733, 758358, 758359 - CONTROL VALVE SECTION, COMPONENTS (35) - HYDRAULIC SYSTEMS

Схема запчастей Case IH MAXXUM 135 - (35.204.BE[09]) - VAR - 396844, 743685, 743686, 743733, 758358, 758359 - CONTROL VALVE SECTION, COMPONENTS (35) - HYDRAULIC SYSTEMS
20
12
5
8
9
14
28
6
31
30
3
10
3
19
18
26
3
17
16
3
31
24
4
28
3
3
26
3
29
3
21
11
12
2
23
7
3
22
13
3
1
3
25
27
3
27
32
3
15
3
25
FIT
1:1
100%

Артикул

Название

Примечание

Количество

1

84142195

HYD VALVE SECTION

ASSY, Incl 2 - 32

1шт.

2

47129472

PLUG

1шт.

3

47129468

SEAL KIT

Incl 25 - 32

1шт.

4

NSS

NOT SOLD SEPARAT

Throttle Screw, Incl in 1

1шт.

5

NSS

NOT SOLD SEPARAT

Closure Cap, Incl in 1

1шт.

6

NSS

NOT SOLD SEPARAT

Protective Cap, Incl in 1

1шт.

7

47129466

SPRING

1шт.

8

5191716

VALVE

1шт.

9

47129449

PLUG,M27 x 2 x 19mm L

1шт.

10

NSS

NOT SOLD SEPARAT

Valve Housing, Incl in 1

1шт.

11

NSS

NOT SOLD SEPARAT

Closure Cap, Incl in 1

1шт.

12

47129438

PLUG

2шт.

13

47129465

PLUG

1шт.

14

47126929

SHIM,6.50mm ID x 11.50mm OD x 0.50mm

1шт.

14

47126930

SHIM,6.50mm ID x 11.50mm OD x 0.10mm

1шт.

15

NSS

NOT SOLD SEPARAT

Compression Spring, Incl in 1

1шт.

16

NSS

NOT SOLD SEPARAT

Valve Cone, Incl in 1

1шт.

17

NSS

NOT SOLD SEPARAT

Valve Spool, Incl in 1

1шт.

18

47126924

SPRING SEAT

1шт.

19

NSS

NOT SOLD SEPARAT

Compression Spring, Incl in 1

1шт.

20

84127069

SHIM

1шт.

21

84127098

WASHER

1шт.

22

84127099

SHIM,12.10mm ID x 20.00mm OD x 0.10

1шт.

23

84152095

PLUG

1шт.

24

NSS

NOT SOLD SEPARAT

Screw Plug, Incl in 1

1шт.

25

NSS

NOT SOLD SEPARAT

O-Ring, 24.5 x 2.15 HNBR, Incl in 3

2шт.

26

NSS

NOT SOLD SEPARAT

O-Ring, 17 x 2.5 HNBR, Incl in 3

2шт.

27

NSS

NOT SOLD SEPARAT

O-Ring, 23.7 x 2.8 HNBR, Incl in 3

2шт.

28

NSS

NOT SOLD SEPARAT

O-Ring, 19.4 x 2.1 HNBR, Incl in 3

2шт.

29

NSS

NOT SOLD SEPARAT

O-Ring, 15.4 x 2.1 HNBR, Incl in 3

1шт.

30

NSS

NOT SOLD SEPARAT

O-Ring, 20 x 2.5 HNBR, Incl in 3

1шт.

31

NSS

NOT SOLD SEPARAT

O-Ring, 18 x 2.5 HNBR, Incl in 3

2шт.

32

NSS

NOT SOLD SEPARAT

O-Ring, 6.1 x 1.6 HNBR, Incl in 3

1шт.

Выбрано товаров: 33