Запчасти Case IH MAXXUM 135 (35.204.BJ[02]) - VAR - 390856, 396844, 743685, 743686, 743733, 758358, 758359, 758644 - REMOTE CONTROL VALVE, W/ ELECTROHYDRAULIC ENGAGEMENT, LINE (35) - HYDRAULIC SYSTEMS

Схема запчастей Case IH MAXXUM 135 - (35.204.BJ[02]) - VAR - 390856, 396844, 743685, 743686, 743733, 758358, 758359, 758644 - REMOTE CONTROL VALVE, W/ ELECTROHYDRAULIC ENGAGEMENT, LINE (35) - HYDRAULIC SYSTEMS
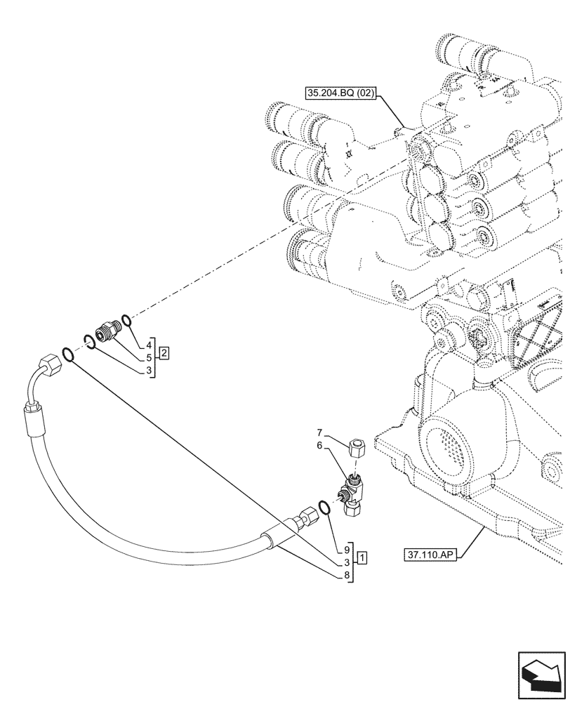
35.204.bq (02)
4
3
9
1
6
3
8
2
5
7
37.110.ap
FIT
1:1
100%

Артикул

Название

Примечание

Количество

1

47675375

HOSE,8mm ID x 535mm L

ASSY, Pilot Remotes with Electro-Hydraulic Control, 8mm ID x 535mm, Incl 3 (Qty 1), 8, 9

1шт.

2

86579671

HYD CONNECTOR,11/16" - 16 ORFS x M14 x 1.5 ORB

ASSY, Incl 3 (Qty 1), 4, 5

1шт.

3

9993141

O-RING,0.07" Thk x 0.364" ID, -12, Cl 6, 90 Duro

2шт.

4

86598099

O-RING,2.2mm Thk x 11.3mm ID, Cl 6

Green

1шт.

5

NSS

NOT SOLD SEPARAT

Connector, incl in 2

1шт.

6

83961945

TEE,9/16"-18 ORFS x 9/16"-18 Fem Sw Run

1шт.

7

87668376

CAP,9/16"-18 Inch THD

1шт.

8

NSS

NOT SOLD SEPARAT

Hose, Incl in 1

1шт.

9

9825770

O-RING,0.07" Thk x 0.301" ID, -11, Cl 6, 90 Duro

1шт.

Выбрано товаров: 9