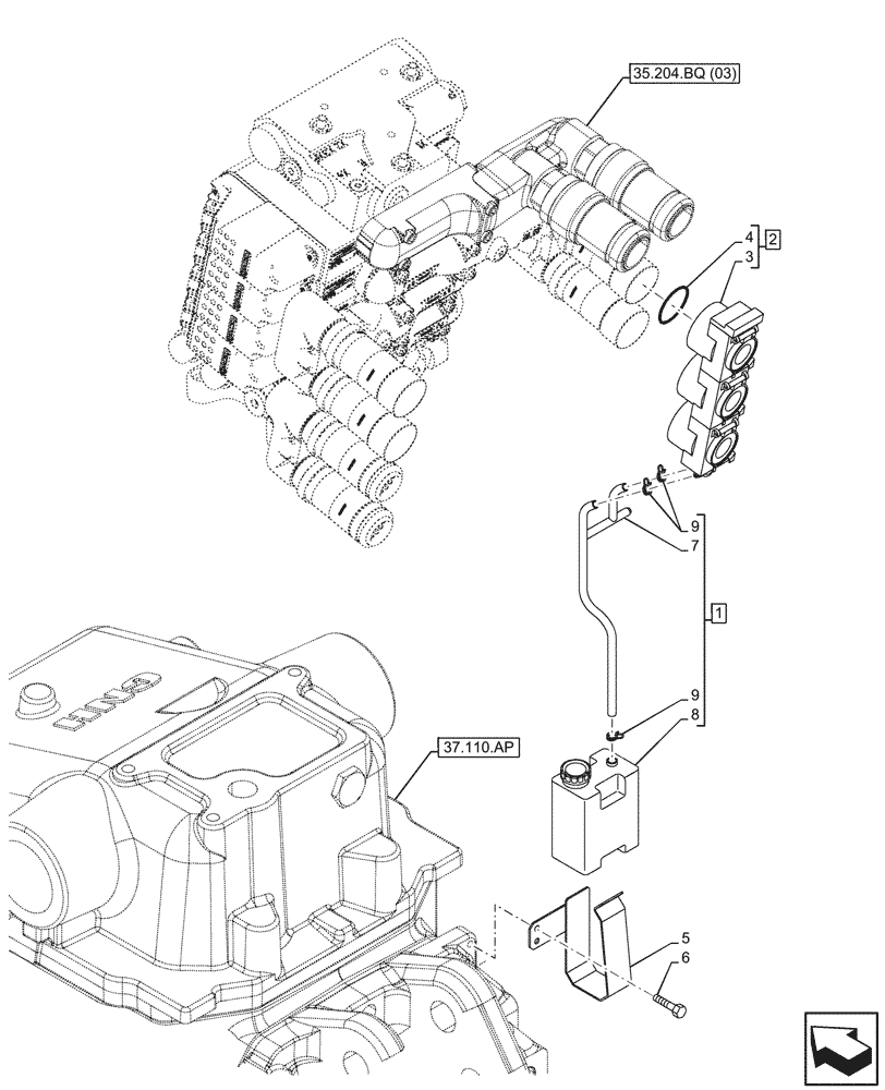
Запчасти Case IH MAXXUM 135 (35.204.BW[06]) - VAR - 743733 - 4 REMOTE CONTROL VALVE, RESERVOIR (35) - HYDRAULIC SYSTEMS

Схема запчастей Case IH MAXXUM 135 - (35.204.BW[06]) - VAR - 743733 - 4 REMOTE CONTROL VALVE, RESERVOIR (35) - HYDRAULIC SYSTEMS
35.204.bq (03)
4
6
1
5
9
9
2
8
7
3
37.110.ap
FIT
1:1
100%

Артикул

Название

Примечание

Количество

1

84287277

RESERVOIR, HYDRAULIC

ASSY, Incl 7 - 9

1шт.

2

84290177

DUST CAP

ASSY, Incl 3, 4

2шт.

3

NSS

NOT SOLD SEPARAT

Dust Cap, Incl in 2

1шт.

4

14454580

O-RING,34.65mm ID x 1.78mm

3шт.

5

84312030

SUPPORT

1шт.

6

10902121

SCREW,Hex, M6 x 14mm, Cl 8.8

2шт.

7

84253966

KIT

Reservoir

1шт.

8

87555441

RESERVOIR, HYDRAULIC,600ml

1шт.

9

13423370

CLAMP,13.6mm - 15.1mm

13.6 - 15.1 x 1.5

3шт.

Выбрано товаров: 9