Запчасти Case IH MAXXUM 135 (35.204.BX[05]) - VAR - 743690, 758354 - 3 MID-MOUNT CONTROL VALVES, ELECTRICAL, LINE (35) - HYDRAULIC SYSTEMS

Схема запчастей Case IH MAXXUM 135 - (35.204.BX[05]) - VAR - 743690, 758354 - 3 MID-MOUNT CONTROL VALVES, ELECTRICAL, LINE (35) - HYDRAULIC SYSTEMS
25.122.am (01)
9
11
8
8
13
9
6
2
3
6
10
4
7
12
1
7
14
5
35.204.bs (06)
35.300.an (01)
FIT
1:1
100%

Артикул

Название

Примечание

Количество

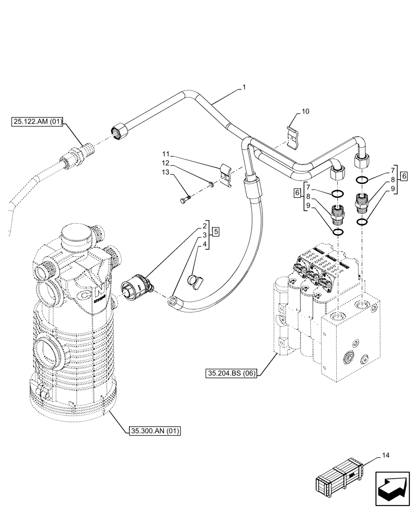
1

47505965

PIPE

from MMV To Axle susp. Valve

1шт.

2

87330808

ELBOW,45 Deg, 21mm - 12.5mm ID

1шт.

3

NSS

NOT SOLD SEPARAT

Pipe, Incl in 5

1шт.

4

13000390

HOSE CLAMP,16mm - 25mm, Worm Gear

1шт.

5

47517917

PIPE

ASSY, Discharge, Incl 2 - 4

1шт.

6

86579680

HYD CONNECTOR,1"-14 ORFS x M22 x 1.5mm ORB

ASSY, Incl 7 (Qty 1), 8 (Qty 1), 9 (Qty 1)

2шт.

7

9992069

O-RING,0.07" Thk x 0.614" ID, -16, Cl 6, 90 Duro

2шт.

8

NSS

NOT SOLD SEPARAT

Elbow, Incl in 6

2шт.

9

86598102

O-RING,2.2mm Thk x 19.3mm ID, Cl 6, 90 Duro

2шт.

10

5180016

BRACKET

1шт.

11

5180153

BRACKET

1шт.

12

10519421

WASHER,6.4mm ID x 11.95mm OD x 1.6mm Thk

1шт.

13

120100

BOLT,M6 x 20mm, Cl 8.8

1шт.

14

718229024

DIA KIT, TRACTOR

Electronic Mid Mount Valve Kit (3 Slice), W/O Joystick, Incl 1 - 13

1шт.

To See Full DIA KIT Composition Look for all the Figures Where the DIA KIT P/N Is Shown

1шт.

Выбрано товаров: 15