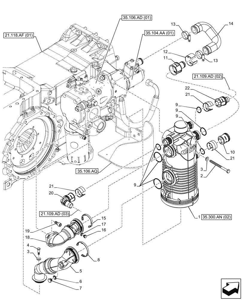
Запчасти Case IH MAXXUM 135 (35.300.AN[01]) - VAR - 391223, 758538, 758539 - OIL COOLER FILTER (35) - HYDRAULIC SYSTEMS

Схема запчастей Case IH MAXXUM 135 - (35.300.AN[01]) - VAR - 391223, 758538, 758539 - OIL COOLER FILTER (35) - HYDRAULIC SYSTEMS
21.118.af (01)
2
21
4
9
1
6
12
9
7
21
5
15
14
9
22
11
21
17
13
19
9
10
8
13
16
20
3
3
18
35.104.aa (01)
21.109.ad (03)
21.109.ad (02)
35.300.an (02)
35.106.aq
35.106.ad (01)
FIT
1:1
100%

Артикул

Название

Примечание

Количество

1

84242244

FILTER ASSY

1шт.

2

15972421

SCREW,Hex, M10 x 1.25 x 130mm, Cl 8.8

2шт.

3

14496601

WASHER,10.5mm ID x 21mm OD x 2mm Thk

3шт.

4

87687675

BOLT,M8 x 1.25 x 32mm, Cl 8.8

1шт.

5

84177407

PIPE

1шт.

6

5169544

SEAL,14.7mm ID x 22mm OD x 1.5mm Thk

1шт.

7

10300611

PLUG,M14 x 1.5 x 14, Cl5.8

1шт.

8

87381695

CIRCLIP,8mm Thk

1шт.

9

87705156

SEAL KIT

Filter

1шт.

10

87330798

PLUG,46mm ID

1шт.

11

84190077

HYD CONNECTOR

1шт.

12

87330755

STOP DEVICE

1шт.

13

82039346

HOSE CLAMP,30mm - 45mm, Worm Gear

2шт.

14

84168449

HOSE

1шт.

15

87381696

SNAP RING,8mm Thk, Ext

1шт.

16

87535222

PLUG,Hex, M10 x 1 x 13mm

1шт.

17

87316678

SEALING WASHER,10mm ID x 16mm OD x 2.3mm Thk

1шт.

18

47689910

SUCTION PIPE

1шт.

19

14311024

HEX SOC SCREW,M12 x 1.75 x 25mm, Cl 8.8, Full Thd

2шт.

20

87608358

ELBOW,90 Deg, 22mm ID

1шт.

21

84121298

SNAP RING,30mm Thk, Ext

3шт.

22

87381694

HYD CONNECTOR,21mm D x 22mm D

1шт.

Выбрано товаров: 22