Запчасти Case IH MAXXUM 135 (35.701.AX[01]) - VAR - 743702 - FRONT LOADER HYDRAULIC SYSTEM, EU (35) - HYDRAULIC SYSTEMS

Схема запчастей Case IH MAXXUM 135 - (35.701.AX[01]) - VAR - 743702 - FRONT LOADER HYDRAULIC SYSTEM, EU (35) - HYDRAULIC SYSTEMS
82.100.ak (01)
18
13
12
18
3
16
14
11
13
12
2
13
19
8
6
1
11
14
6
7
4
11
20
16
12
11
13
21
17
10
14
14
12
15
9
5
35.204.bs (04)
82.100.ak (02)
35.204.bs (06)
FIT
1:1
100%

Артикул

Название

Примечание

Количество

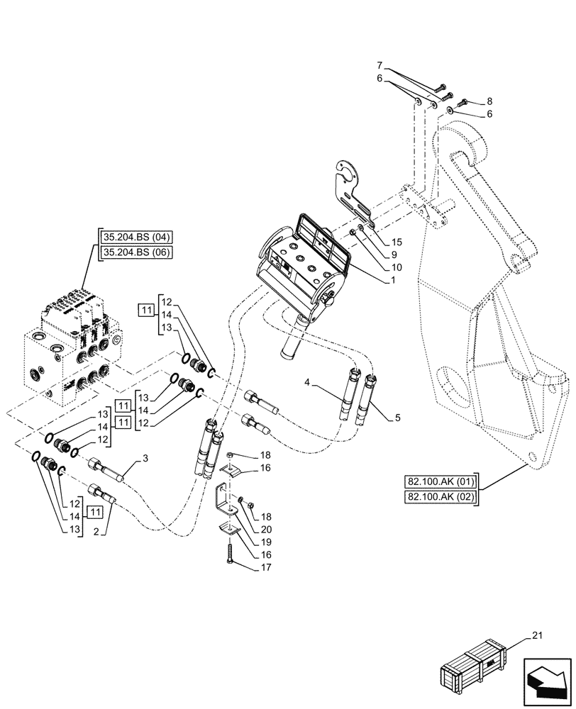
1

87733579

COUPLING

1шт.

2

47615578

PIPE

Loader Lower

1шт.

3

47615565

PIPE

Loader Raise

1шт.

4

47615542

PIPE

Loader Crow

1шт.

5

47615555

PIPE

Loade Tip

1шт.

6

12646701

WASHER,8.15mm ID x 20mm OD x 2mm Thk

3шт.

7

43127

BOLT,Hex, M8 x 1.25 x 25mm, Cl 8.8

2шт.

8

120104

BOLT,Hex, M8 x 1.25 x 20mm, Cl 8.8

1шт.

9

14496501

WASHER,8.4mm ID x 17mm OD x 1.6mm Thk

1шт.

10

86629542

NUT,M8 x 1.25, Cl 8.8

1шт.

11

86579678

HYD CONNECTOR,13/16"-16 ORFS x M22 x 1.5 ORB

ASSY, Incl 12 (Qty 1), 13 (Qty 1), 14 (Qty 1 )

4шт.

12

9992298

O-RING,0.07" Thk x 0.489" ID, -14, Cl 6, 90 Duro

4шт.

13

86598102

O-RING,2.2mm Thk x 19.3mm ID, Cl 6, 90 Duro

4шт.

14

NSS

NOT SOLD SEPARAT

Connector, Incl in 11

4шт.

15

87736290

BRACKET

1шт.

16

47057074

CLAMP,48.6mm x 30mm

2шт.

17

16044224

BOLT,Hex, M8 x 1.25 x 50mm, Cl 8.8

1шт.

18

9706690

NUT,M8 x 1.25, Cl 8

2шт.

19

47644316

BRACKET

1шт.

20

12638504

WASHER,8.15mm ID x 15mm OD x 1.5mm Thk

1шт.

21

719705064

DIA KIT, TRACTOR

European Loader Ready, Incl 1 - 20

1шт.

To See Full DIA KIT Composition Look for all the Figures Where the DIA KIT P/N Is Shown

1шт.

Выбрано товаров: 22