Запчасти Case IH MAXXUM 135 (41.432.AE[02]) - VAR - 743812 - AUTOGUIDANCE, VALVE, COMPONENTS (41) - STEERING

Схема запчастей Case IH MAXXUM 135 - (41.432.AE[02]) - VAR - 743812 - AUTOGUIDANCE, VALVE, COMPONENTS (41) - STEERING
55.680.am
23
23
9
16
5
25
43
17
15
19
12
4
21
9
15
24
34
23
15
35
24
17
20
15
7
33
27
27
31
22
16
18
13
42
40
15
27
8
15
9
15
36
3
26
2
1
30
11
6
38
14
41
32
15
19
24
10
39
29
37
28
41.432.ae (03)
FIT
1:1
100%

Артикул

Название

Примечание

Количество

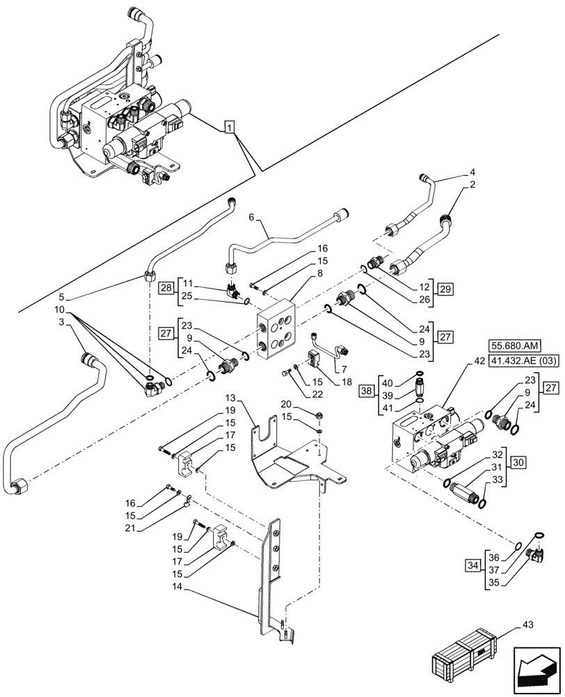
1

47748474

VALVE

ASSY, Incl 2 - 42

1шт.

See also Valve Components in Figure 41.432.AE (03), 55.680.AM

1шт.

2

47725539

PIPE

Autoguidance P Line on Valve

1шт.

3

47725545

PIPE

Autoguidance T Line on Valve

1шт.

4

47725541

PIPE

Autoguidance R Line on Valve

1шт.

5

47725543

PIPE

Autoguidance L Line on Valve

1шт.

6

47725547

PIPE

Autoguidance LS Line on Valve

1шт.

7

47725593

PIPE

1шт.

8

47748526

MANIFOLD

1шт.

9

NSS

NOT SOLD SEPARAT

Connector, Incl in 27

3шт.

10

47752102

ELBOW UNION

1шт.

11

NSS

NOT SOLD SEPARAT

Elbow, Incl in 28

1шт.

12

NSS

NOT SOLD SEPARAT

Connector, Incl in 29

1шт.

13

47618847

BRACKET

1шт.

14

47725577

BRACKET

1шт.

15

86588450

WASHER,6.6mm ID x 12mm OD x 1.6mm Thk

12шт.

16

86508568

BOLT,Hex, M6 x 1 x 16mm, Cl 8.8

5шт.

17

87735418

CLAMP BRACKET

2шт.

18

47517275

CLAMP BRACKET

1шт.

19

86977789

BOLT,Hex, M6 x 1.0 x 35mm, Cl 8.8

2шт.

20

9706755

NUT,M6, Cl 8

2шт.

21

10113104

CLAMP,8mm, 7mm Bolt Hole, J Type

1шт.

22

86977786

BOLT,Hex, M6 x 1 x 25mm, Cl 8.8

1шт.

23

82016732

SEAL,19.6mm ID x 24.3mm OD x 1.5mm Thk

3шт.

24

83901443

O-RING,0.07" Thk x 0.614" ID, -16, Cl 6, 90 Duro

3шт.

25

82019391

SEAL,9.8mm ID x 14.4mm OD x 1mm Thk

1шт.

26

83999938

SEAL,15.7mm ID x 20.9mm OD x 1.5mm Thk

1шт.

27

82016498

HYD CONNECTOR,M22 x 1.5 DIN, 1" - 14 ORFS

ASSY, Incl 9 (Qty 1),23 (Qty 1), 24 (Qty 1)

3шт.

28

47630470

90 ELBOW,M12 x 1.5 x 32.5mm L

ASSY, Incl 11, 25

1шт.

29

47448751

HYD CONNECTOR,M18 x 1.5 ORB, 11/16" - 16 ORFS

ASSY, Incl 12, 26

1шт.

30

47632343

HYD CONNECTOR

ASSY, Incl 31 - 33

1шт.

31

NSS

NOT SOLD SEPARAT

Connector, Incl in 30

1шт.

32

86598101

O-RING,2.2mm Thk x 15.3mm ID, Cl 6, 90 Duro

1шт.

33

9992069

O-RING,0.07" Thk x 0.614" ID, -16, Cl 6, 90 Duro

1шт.

34

82031421

90 ELBOW,13/16"-16 ORFS x M18 x 1.5 ORB

ASSY, Incl 35 - 37

2шт.

35

NSS

NOT SOLD SEPARAT

Elbow, Incl in 34

1шт.

36

14437985

O-RING,15.3mm ID x 2.4mm

1шт.

37

5185511

O-RING,1.78mm Thk x 12.42mm ID, 85 Duro

1шт.

38

47624852

HYD CONNECTOR

ASSY, Incl 39 - 41

1шт.

39

NSS

NOT SOLD SEPARAT

Connector, Incl in 38

1шт.

40

9825770

O-RING,0.07" Thk x 0.301" ID, -11, Cl 6, 90 Duro

1шт.

41

86598098

O-RING,2.2mm Thk x 9.3mm ID, Cl 6, 90 Duro

1шт.

42

47643769

VALVE SECTION

ASSY

1шт.

43

718083024

DIA KIT, TRACTOR

Autoguidance System Cvt Cl 3 Axle, Incl 1 - 42

1шт.

To See Full DIA KIT Composition Look for all the Figures Where the DIA KIT P/N Is Shown

1шт.

43

718084024

DIA KIT, TRACTOR

Autoguidance System Cvt Cl 3.5 Axle, Incl 1 - 42

1шт.

To See Full DIA KIT Composition Look for all the Figures Where the DIA KIT P/N Is Shown

1шт.

Выбрано товаров: 47