Запчасти Case IH MAXXUM 135 (55.024.AA[02]) - VAR - 396844, 743685, 743733, 758358 - TRANSMISSION, HARNESS (55) - ELECTRICAL SYSTEMS

Схема запчастей Case IH MAXXUM 135 - (55.024.AA[02]) - VAR - 396844, 743685, 743733, 758358 - TRANSMISSION, HARNESS (55) - ELECTRICAL SYSTEMS
21.118.af (01)
8
6
4
1
2
10
3
12
7
11
9
5
35.204.be (01)
55.024.al
55.032.ac (01)
55.020.ab (03)
55.021.ab (01)
55.021.ab (02)
55.011.ac (02)
55.024.ah (01)
55.510.af (01)
21.504.ak (01)
55.130.ad
55.024.aa (03)
55.130.ad
55.045.ad (02)
31.104.ar (01)
55.020.ab (04)
21.506.bc
21.505.aq (01)
55.020.ab (02)
55.020.ab (01)
FIT
1:1
100%

Артикул

Название

Примечание

Количество

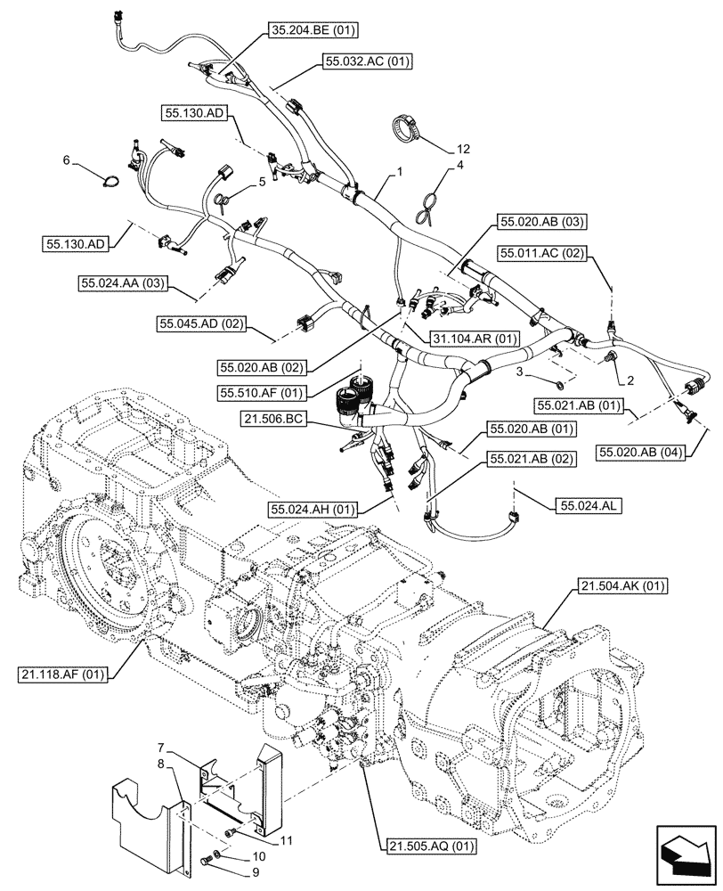
1

47725739

WIRE HARNESS

Transmission, Years: -20-APR-16

1шт.

1

47888785

WIRE HARNESS

Transmission, Start Year: 21-APR-16

1шт.

2

15970321

SCREW,Hex, M10 x 1.25 x 16mm, Cl 8.8, Full Thd

1шт.

3

12648304

WASHER,10.2mm ID x 17mm OD x 1.5mm Thk

1шт.

4

82012869

CABLE TIE,300mm L, Nylon, Black

300/397mm

1шт.

5

82013031

CABLE TIE,193mm L

1шт.

6

14560187

COLLAR,199mm L

Black

2шт.

7

47441315

SUPPORT

Black

1шт.

8

47441379

COVER

1шт.

9

120103

BOLT,M8 x 1.25 x 16mm, Cl 8.8

4шт.

10

86624184

WASHER,9mm ID x 16mm OD x 1.6mm Thk

4шт.

11

14306121

SCREW,Hex, M8 x 1.25 x 12mm L

M8 x 12

3шт.

12

14560287

CABLE TIE,207.00mm L

1шт.

Выбрано товаров: 13