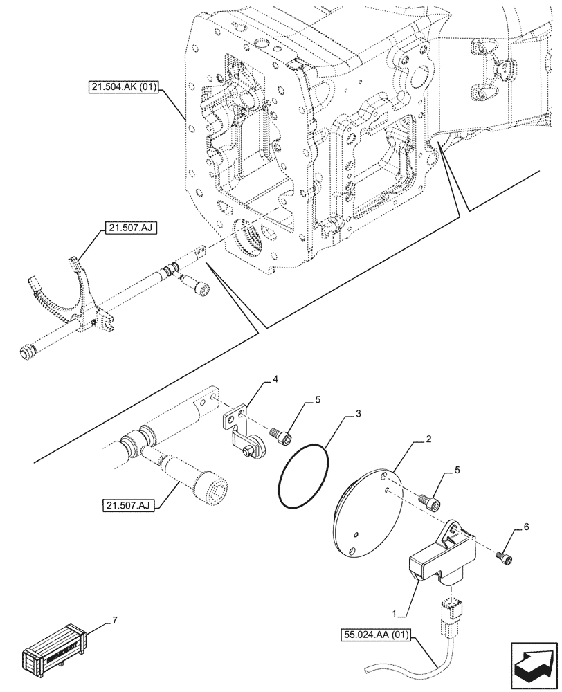
Запчасти Case IH MAXXUM 135 (55.024.AL) - VAR - 396247, 758442, 758549 - TRANSMISSION, FORK, MAGNET, SENSOR (55) - ELECTRICAL SYSTEMS

Схема запчастей Case IH MAXXUM 135 - (55.024.AL) - VAR - 396247, 758442, 758549 - TRANSMISSION, FORK, MAGNET, SENSOR (55) - ELECTRICAL SYSTEMS
21.507.aj
6
5
4
2
1
7
5
3
55.024.aa (01)
21.504.ak (01)
21.507.aj
FIT
1:1
100%

Артикул

Название

Примечание

Количество

1

87620263

SENSOR

Magnetic

1шт.

2

84181809

HOLDER

1шт.

3

14459680

O-RING,0.103" Thk x 2.112" ID, -138, Cl 5, 75 Duro

1шт.

4

84406697

HOLDER

1шт.

5

14305121

HEX SOC SCREW,M6 x 12mm, Cl 8.8

4шт.

6

14302924

HEX SOC SCREW,M4 x 10mm, Cl 8.8, Full Thd

2шт.

7

47798576

GEARBOX

Transmission ASSY, Incl 1 - 6

1шт.

See all the Included Components by Searching for the PN 47798576

1шт.

Выбрано товаров: 8