Запчасти Case IH MAXXUM 135 (10.001.AK[02]) - VAR - 392195, 392204, 743764, 743766, 758413, 758414, 758415, 758416, 758581, 759375, 759377, 759379 - ENGINE, SUPPORT (10) - ENGINE

Схема запчастей Case IH MAXXUM 135 - (10.001.AK[02]) - VAR - 392195, 392204, 743764, 743766, 758413, 758414, 758415, 758416, 758581, 759375, 759377, 759379 - ENGINE, SUPPORT (10) - ENGINE
10.001.ad
3
1
4
2
FIT
1:1
100%

Артикул

Название

Примечание

Количество

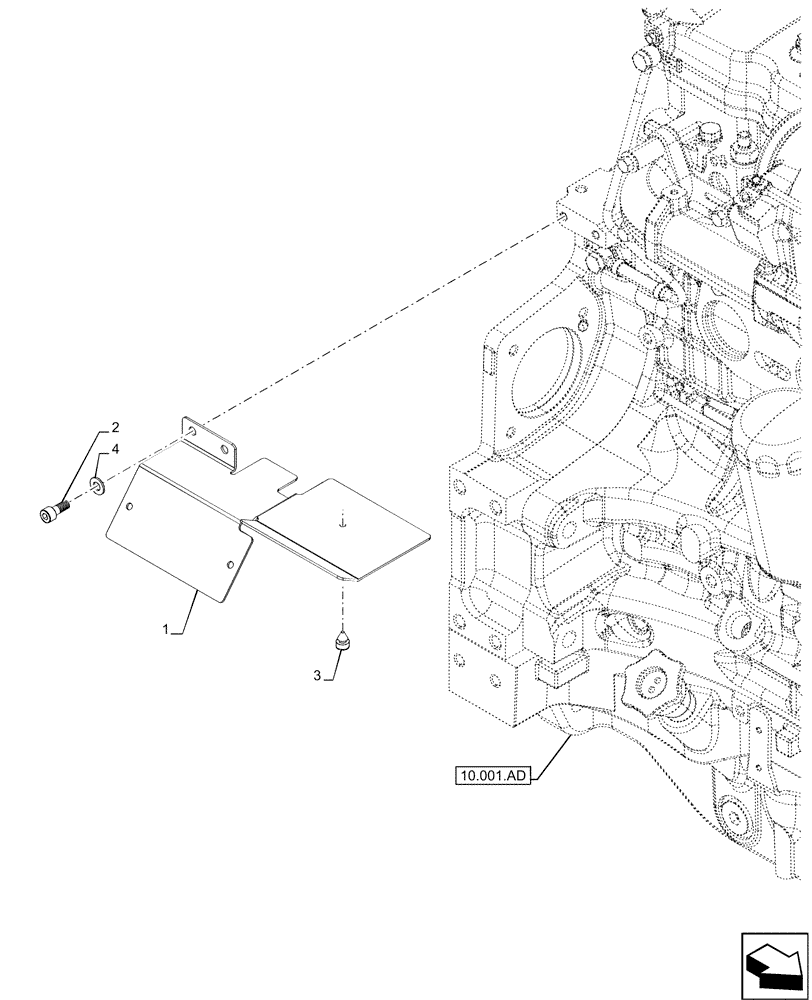
1

47578896

SHIELD

1шт.

2

14306321

HEX SOC SCREW,M8 x 20mm, Cl 8.8

2шт.

3

14624587

PLUG,D 6.3 x 3

1шт.

4

14496501

WASHER,8.4mm ID x 17mm OD x 1.6mm Thk

2шт.

Выбрано товаров: 0