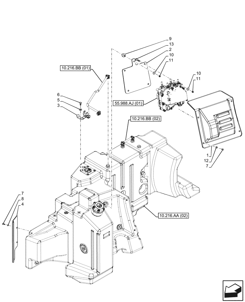
Запчасти Case IH MAXXUM 135 (10.216.AA[03]) - VAR - 758405, 758406 - EXTRA FUEL TANK (10) - ENGINE

Схема запчастей Case IH MAXXUM 135 - (10.216.AA[03]) - VAR - 758405, 758406 - EXTRA FUEL TANK (10) - ENGINE
10.216.bb (01)
11
3
12
6
10
11
1
8
4
7
13
5
10
2
7
9
10.216.bb (02)
55.988.aj (01)
10.216.aa (02)
FIT
1:1
100%

Артикул

Название

Примечание

Количество

1

47417880

LID

1шт.

2

47729295

BRACKET

1шт.

3

47672990

BRACKET

1шт.

4

47471337

COVER

1шт.

5

86625263

WASHER,9mm ID x 20mm OD x 1.6mm Thk

1шт.

6

16043480

BOLT,Hex, M8 x 1.25 x 20mm, Full Thd

1шт.

7

10902124

SCREW,Hex, M6 x 14mm, Cl 8.8

7шт.

8

10519421

WASHER,6.4mm ID x 11.95mm OD x 1.6mm Thk

3шт.

9

84341086

DAMPER,M6 x 51mm, 25mm OD

3шт.

10

12647701

WASHER,6.15mm ID x 21mm OD x 1mm Thk

6шт.

11

12574211

NUT,M6 x 1, Cl 8

6шт.

12

322357

BELLEVILLE WASHER,M6 Bolt Size x 14mm OD x 1.3mm Thk

4шт.

13

9850685

BOLT,Hex, M6 - 1 x 90mm, Cl 8.8

3шт.

Выбрано товаров: 13