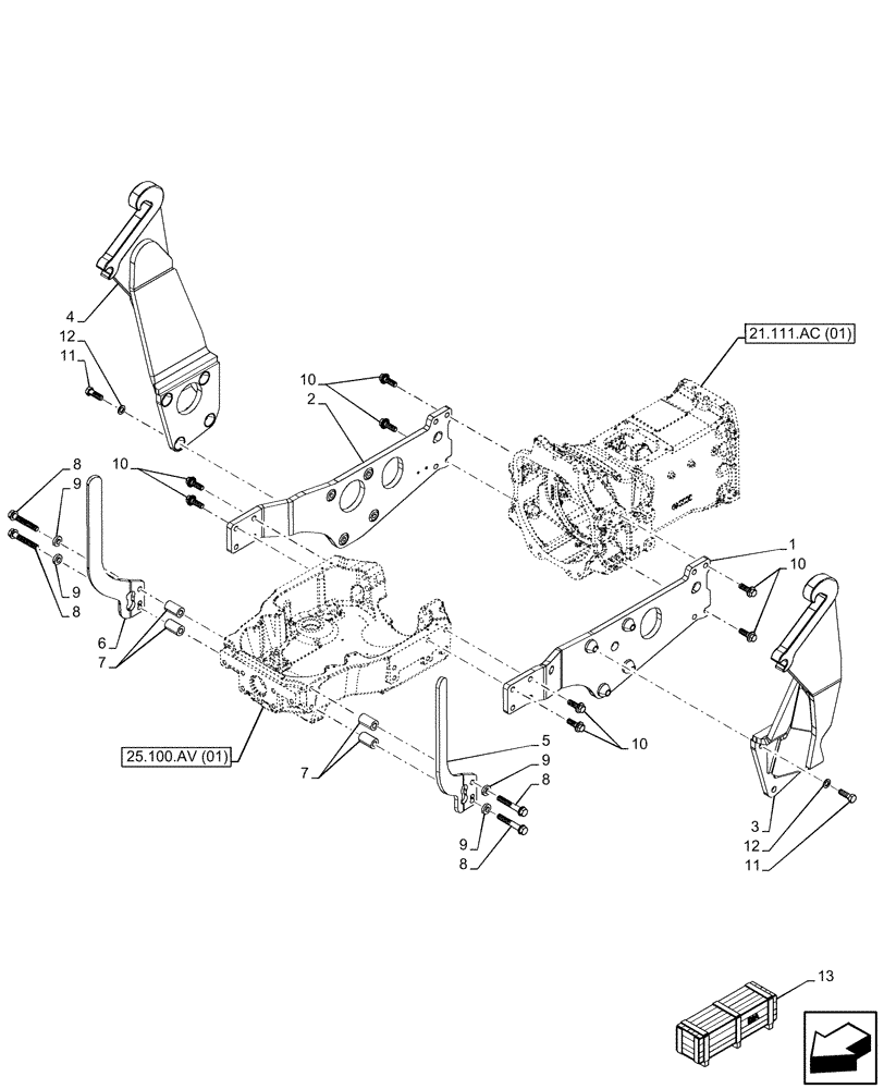
Запчасти Case IH MAXXUM 135 (82.100.AK[01]) - VAR - 743702 - FRONT LOADER, SIDE MEMBER, EU (82) - FRONT LOADER & BUCKET

Схема запчастей Case IH MAXXUM 135 - (82.100.AK[01]) - VAR - 743702 - FRONT LOADER, SIDE MEMBER, EU (82) - FRONT LOADER & BUCKET
25.100.av (01)
7
9
8
9
9
3
5
9
8
10
8
10
1
11
10
13
11
6
10
12
7
12
8
4
2
21.111.ac (01)
FIT
1:1
100%

Артикул

Название

Примечание

Количество

1

47714891

FRAME

LH

1шт.

2

47714850

FRAME

RH

1шт.

3

47614605

FRAME

LH Tower

1шт.

4

47614610

FRAME

RH Tower

1шт.

5

47569267

BRACKET

LH Grille Guard

1шт.

6

47569263

BRACKET

RH Grille Guard

1шт.

7

47057794

SPACER,22mm ID x 42mm OD x 70mm L

70mm

4шт.

8

47057711

SCREW,M20 x 2.5 x 130mm

M20 x 2.5 x 130mm

4шт.

9

47057709

SPACER,22mm ID x 42mm OD x 10mm L

10mm

4шт.

10

82020153

BOLT,Flng, M20 x 2.5 x 58mm, Cl 12.9

16шт.

11

15224034

BOLT,Hex, M20 x 65mm, Cl 10.9, Full Thd

8шт.

12

14497124

WASHER,21mm ID x 37mm OD x 3mm Thk

21 x 37 x 3

8шт.

13

719705064

DIA KIT, TRACTOR

European Loader Ready, Incl 1 - 12

1шт.

To See Full DIA KIT Composition Look for all the Figures Where the DIA KIT P/N Is Shown

1шт.

Выбрано товаров: 0