Запчасти Case IH MAXXUM 135 (10.216.AI[05]) - VAR - 758922, 758923 - FUEL TANK, SUPPORT (10) - ENGINE

Схема запчастей Case IH MAXXUM 135 - (10.216.AI[05]) - VAR - 758922, 758923 - FUEL TANK, SUPPORT (10) - ENGINE
90.150.ae
4
15
10
15
3
12
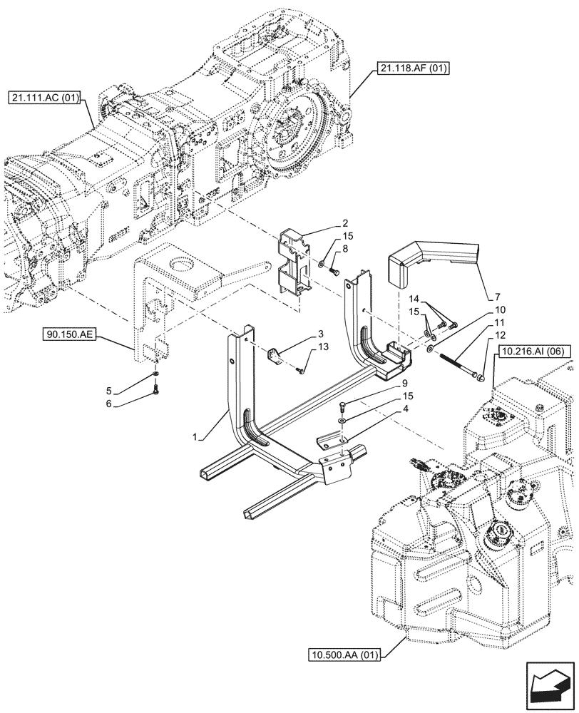
2
7
1
5
14
6
13
11
15
8
9
10.500.aa (01)
21.111.ac (01)
10.216.ai (06)
21.118.af (01)
FIT
1:1
100%

Артикул

Название

Примечание

Количество

1

47743759

SUPPORT

1шт.

2

47515312

BRACKET

1шт.

3

84419896

BRACKET

1шт.

4

47514841

BRACKET

1шт.

5

47130824

LOCK WASHER,Nordlock, 10.70mm ID x 21.00mm OD x 2.50mm

1шт.

6

9515003

BOLT,Hex, M10 x 1.5 x 30mm, Cl 10.9

1шт.

7

47460753

BRACKET

1шт.

8

86637971

BOLT,Hex, M12 x 1.25 x 30mm, Cl 8.8, Full Thd

2шт.

9

9706687

BOLT,M12 x 1.75 x 30mm, Cl 8.8

2шт.

10

87528989

WASHER,12.2mm ID x 30mm OD x 2.5mm Thk

1шт.

11

336383

BOLT,Hex, M12 x 1.75 x 180mm, Cl 8.8

1шт.

12

84291550

CAP

1шт.

13

9671714

FLANGE BOLT,Hex, M8 x 1.25 x 25mm, Cl 8.8

1шт.

14

300388

BOLT,Hex, M12 x 1.75 x 25mm, Cl 8.8

2шт.

15

140046

BELLEVILLE WASHER,M12 Bolt Size x 27mm OD x 1.8mm Thk

6шт.

Выбрано товаров: 15