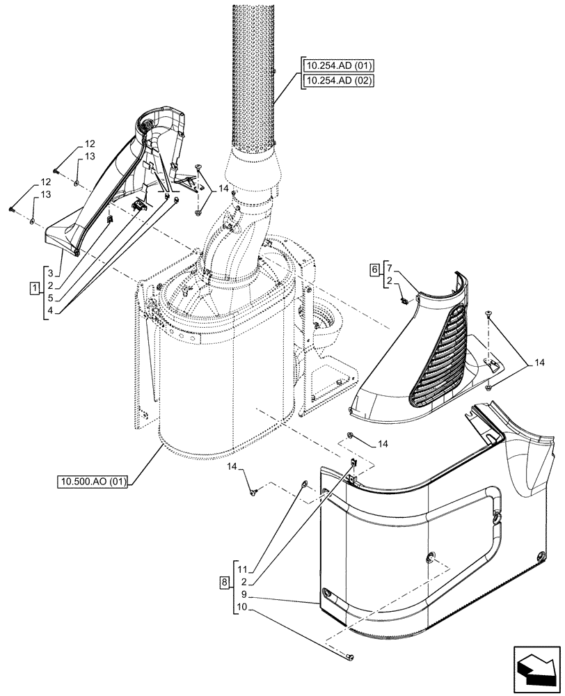
Запчасти Case IH MAXXUM 135 (10.254.AD[03]) - VAR - 390819 - EXHAUST PIPE, COVER, W/O FRONT LOADER (10) - ENGINE

Схема запчастей Case IH MAXXUM 135 - (10.254.AD[03]) - VAR - 390819 - EXHAUST PIPE, COVER, W/O FRONT LOADER (10) - ENGINE
10.500.ao (01)
13
3
10
14
2
12
6
2
11
1
7
9
5
12
4
14
8
2
14
14
13
10.254.ad (02)
10.254.ad (01)
FIT
1:1
100%

Артикул

Название

Примечание

Количество

1

47733002

COVER

ASSY, Upper Rear, Incl 2 (Qty 2), 3, 4, 5

1шт.

2

14189071

SPRING NUT,M6

7шт.

3

NSS

NOT SOLD SEPARAT

Cover, Incl in 1

1шт.

4

84602244

CLIP,Clip Diameter 3/7mm

6шт.

5

47733127

CLIP

1шт.

6

47746781

COVER

ASSY, Upper Front, Incl 2 (Qty 4), 7

1шт.

7

NSS

NOT SOLD SEPARAT

Cover, Incl in 6

1шт.

8

47505460

TRIM PANEL

ASSY, Lower Front, Incl 2 (Qty 1), 9 - 11

1шт.

9

NSS

NOT SOLD SEPARAT

Cover, Incl in 8

1шт.

10

84402052

BLANK-OFF PLUG,19mm OD

1шт.

11

14228374

COVER PLATE

1шт.

12

87310098

BOLT,M6 x 20 Full SST BLO

7шт.

13

11194774

BELLEVILLE WASHER,M6 Bolt Size x 18mm OD x 1.4mm Thk

2шт.

14

84348915

SCREW,Pan Hd Phil, M6 x 20mm, w/Thermal Insulator

6шт.

Выбрано товаров: 14