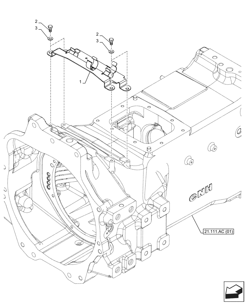
Запчасти Case IH MAXXUM 135 (21.111.AC[09]) - VAR - 759375, 759377, 759379 - TRANSMISSION HOUSING, BRACKET (21) - TRANSMISSION

Схема запчастей Case IH MAXXUM 135 - (21.111.AC[09]) - VAR - 759375, 759377, 759379 - TRANSMISSION HOUSING, BRACKET (21) - TRANSMISSION
21.111.ac (01)
3
3
1
2
2
FIT
1:1
100%

Артикул

Название

Примечание

Количество

1

47515740

BRACKET

1шт.

2

14496501

WASHER,8.4mm ID x 17mm OD x 1.6mm Thk

4шт.

3

16043321

BOLT,Hex, M8 x 1.25 x 18mm, Cl 8.8, Full Thd

4шт.

Выбрано товаров: 3