Качественные детали и логистика
Оригинальные и аналоговые запчасти с доставкой по России, Казахстану и Беларуси
©2022 PartSell ООО "Система" ИНН 2463123282 ОГРН 1212400004838
Центральный офис: г. Красноярск, Академика Киренского, д.87, пом.4
Телефон: 8 (800) 777-65-74 Email: zakaz@partsell.ru
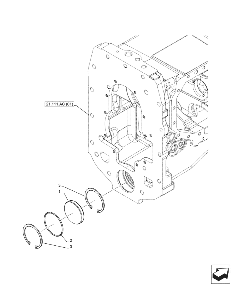
(21.111.AC[09]) - VAR - 759375, 759377, 759379 - TRANSMISSION HOUSING, PLUG
№
Артикул
Название
Примечание
Количество
1
5195796
PLUG
1шт.
2
14465380
O-RING,0.139" Thk x 3.109" ID, -235, Cl 5, 75 Duro
3
11061976
SNAP RING,M80, Int
2шт.
Выбрано товаров: 0