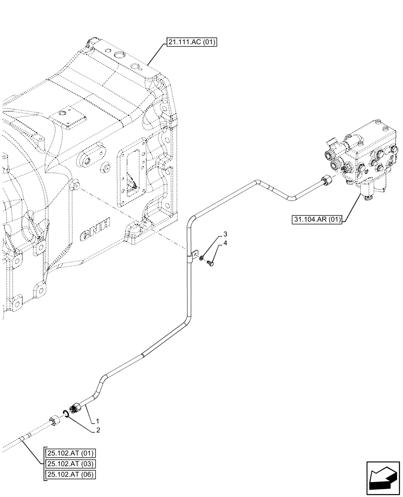
Запчасти Case IH MAXXUM 135 (25.102.AT[02]) - VAR - 390409, 758420, 758421, 758422, 758423, 758424, 758425, 758426, 758427, 758428, 758429 - DIFFERENTIAL LOCK, HYD. LINE (25) - FRONT AXLE SYSTEM

Схема запчастей Case IH MAXXUM 135 - (25.102.AT[02]) - VAR - 390409, 758420, 758421, 758422, 758423, 758424, 758425, 758426, 758427, 758428, 758429 - DIFFERENTIAL LOCK, HYD. LINE (25) - FRONT AXLE SYSTEM
25.102.at (06)
2
1
4
3
31.104.ar (01)
21.111.ac (01)
25.102.at (03)
25.102.at (01)
FIT
1:1
100%

Артикул

Название

Примечание

Количество

1

47640858

PIPE

From Control Valve to Differential

1шт.

2

9993141

O-RING,0.07" Thk x 0.364" ID, -12, Cl 6, 90 Duro

1шт.

3

10519421

WASHER,6.4mm ID x 11.95mm OD x 1.6mm Thk

1шт.

4

86977726

BOLT,Hex, M6 x 12mm, Cl 8.8

1шт.

Выбрано товаров: 4