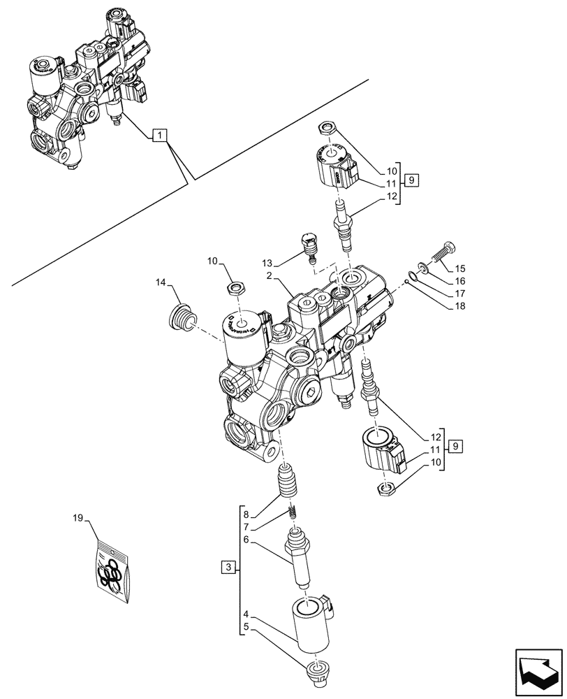
Запчасти Case IH MAXXUM 135 (25.122.AL[04]) - VAR - 758422, 758423, 758427, 758428 - FRONT AXLE, SUSPENDED, CONTROL VALVE (25) - FRONT AXLE SYSTEM

Схема запчастей Case IH MAXXUM 135 - (25.122.AL[04]) - VAR - 758422, 758423, 758427, 758428 - FRONT AXLE, SUSPENDED, CONTROL VALVE (25) - FRONT AXLE SYSTEM
15
9
12
9
17
16
3
19
12
5
4
13
6
8
2
18
14
10
11
7
10
10
1
11
FIT
1:1
100%

Артикул

Название

Примечание

Количество

1

47603312

HYDRAULIC VALVE

Suspended Front Axle, ASSY, Incl 2 - 19

1шт.

2

NSS

NOT SOLD SEPARAT

Body, Incl in 1

1шт.

3

84486826

SERVICE KIT

ASSY, Incl 4 - 8

1шт.

4

87728631

COIL

1шт.

5

87728627

SPECIAL NUT

1шт.

6

NSS

NOT SOLD SEPARAT

Solenoid, Incl in 3

1шт.

7

NSS

NOT SOLD SEPARAT

Spring, Incl in 3

1шт.

8

NSS

NOT SOLD SEPARAT

Poppet, Incl in 3

1шт.

9

87739309

SOLENOID

ASSY, Incl 10 (Qty 2), 11, 12

2шт.

10

87728637

SPECIAL NUT

3шт.

11

87728638

COIL

2шт.

12

82025708

BODY

2шт.

13

87728636

VALVE PRESSURE RELIE

1шт.

14

87728630

PLUG

1шт.

15

87728634

ADJUSTMENT SCREW

1шт.

16

87728633

WASHER

1шт.

17

87728632

SNAP RING

1шт.

18

NSS

NOT SOLD SEPARAT

Ball, Incl in 1

1шт.

19

47608605

SEAL KIT

Suspension Cylinder Valve

1шт.

Выбрано товаров: 19