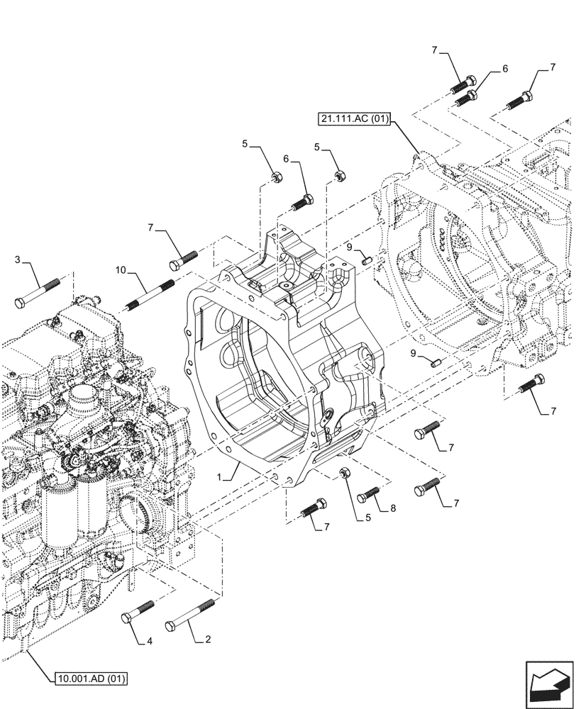
Запчасти Case IH MAXXUM 135 (27.100.AI[02]) - VAR - 392195, 392204, 743764, 743766, 758413, 758414, 758415, 758416, 758581 - REAR AXLE, HOUSING, BREATHER (27) - REAR AXLE SYSTEM

Схема запчастей Case IH MAXXUM 135 - (27.100.AI[02]) - VAR - 392195, 392204, 743764, 743766, 758413, 758414, 758415, 758416, 758581 - REAR AXLE, HOUSING, BREATHER (27) - REAR AXLE SYSTEM
21.111.ac (01)
7
7
5
3
9
6
7
1
4
7
6
5
7
10
2
7
8
9
5
7
10.001.ad (01)
FIT
1:1
100%

Артикул

Название

Примечание

Количество

1

47556462

SPACER

1шт.

2

15982334

BOLT,Hex, M16 x 1.5 x 150mm, Cl 10.9

2шт.

3

15982134

BOLT,Hex, M16 x 1.5 x 140mm, Cl 10.9

2шт.

4

15981534

BOLT,Hex, M16 x 1.5 x 90mm, Cl 10.9

2шт.

5

12164124

NUT,M16 x 1.5, Cl 8

4шт.

6

15840534

BOLT,Hex, M16 x 1.5 x 50mm, Cl 10.9, Full Thd

1шт.

7

15981234

BOLT,Hex, M16 x 1.5 x 65mm, Cl 10.9

2шт.

8

11254134

SCREW,Hex, M16 x 1.5 x 80mm, Cl 10.9

2шт.

9

86505157

DOWEL,1/2" x 1"

2шт.

10

13563330

THREADED ROD

2шт.

Выбрано товаров: 0