Запчасти Case IH MAXXUM 135 (35.204.BE[05]) - VAR - 743685, 758642 - 4 REMOTE CONTROL VALVES, W/ MECHANICAL ENGAGEMENT,2, CONFIGURABLE,2, NOT CONFIGURABLE (35) - HYDRAULIC SYSTEMS

Схема запчастей Case IH MAXXUM 135 - (35.204.BE[05]) - VAR - 743685, 758642 - 4 REMOTE CONTROL VALVES, W/ MECHANICAL ENGAGEMENT,2, CONFIGURABLE,2, NOT CONFIGURABLE (35) - HYDRAULIC SYSTEMS
37.110.ap
5
6
3
9
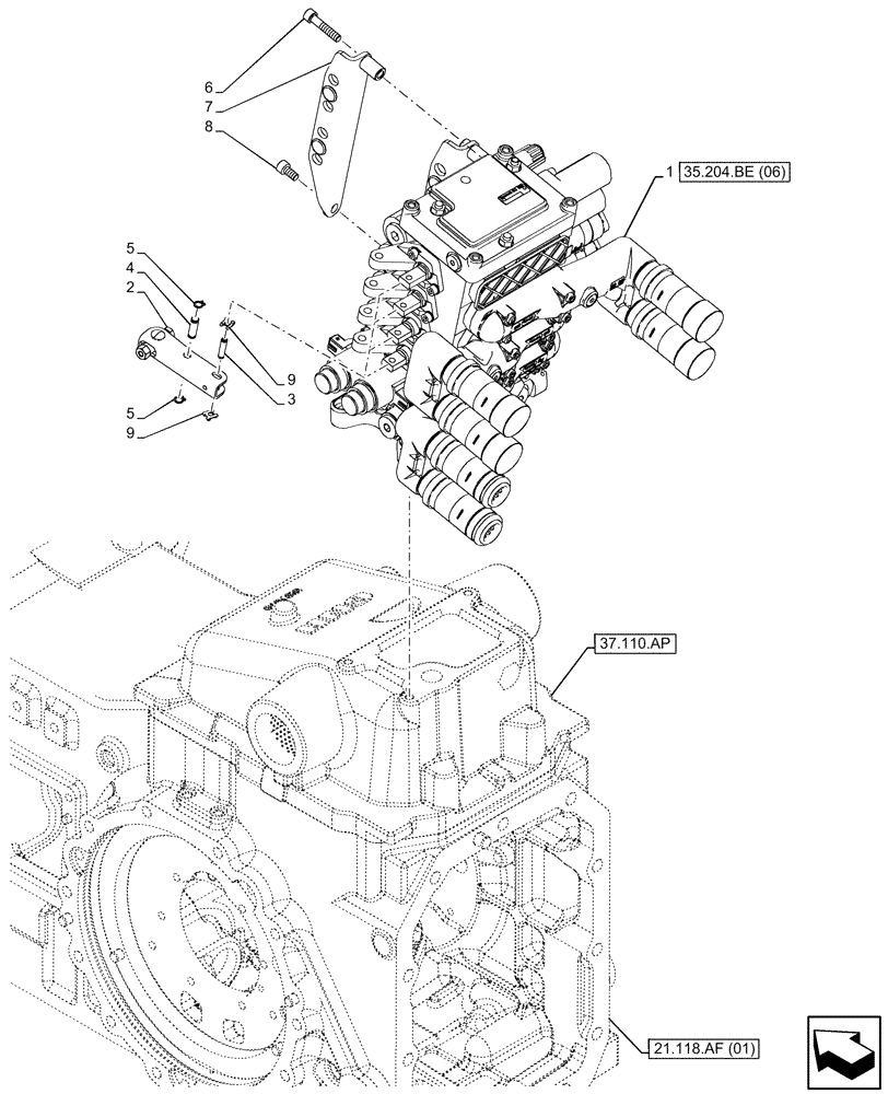
1
5
9
8
2
4
7
21.118.af (01)
35.204.be (06)
FIT
1:1
100%

Артикул

Название

Примечание

Количество

1

47628706

DISTRIBUTOR

ASSY

1шт.

2

87358094

LEVER

4шт.

3

5193177

PIN,6mm OD x 29.48mm L

4шт.

4

5113008

PIN,8mm OD x 26mm L

4шт.

5

11065676

SNAP RING,M8, Ext

8шт.

6

14306721

HEX SOC SCREW,M8 x 48mm, Cl 8.8

1шт.

7

84486546

BRACKET

1шт.

8

14306221

HEX SOC SCREW,M8 x 16mm, Cl 8.8, Full Thd

1шт.

9

11063971

SPRING CLIP,M6

8шт.

Выбрано товаров: 9