Запчасти Case IH MAXXUM 135 (35.204.BE[17]) - VAR - 743741 - 3 REMOTE CONTROL VALVES, W/ MECHANICAL ENGAGEMENT, 2, CONFIGURABLE, 1, NOT CONFIGURABLE (35) - HYDRAULIC SYSTEMS

Схема запчастей Case IH MAXXUM 135 - (35.204.BE[17]) - VAR - 743741 - 3 REMOTE CONTROL VALVES, W/ MECHANICAL ENGAGEMENT, 2, CONFIGURABLE, 1, NOT CONFIGURABLE (35) - HYDRAULIC SYSTEMS
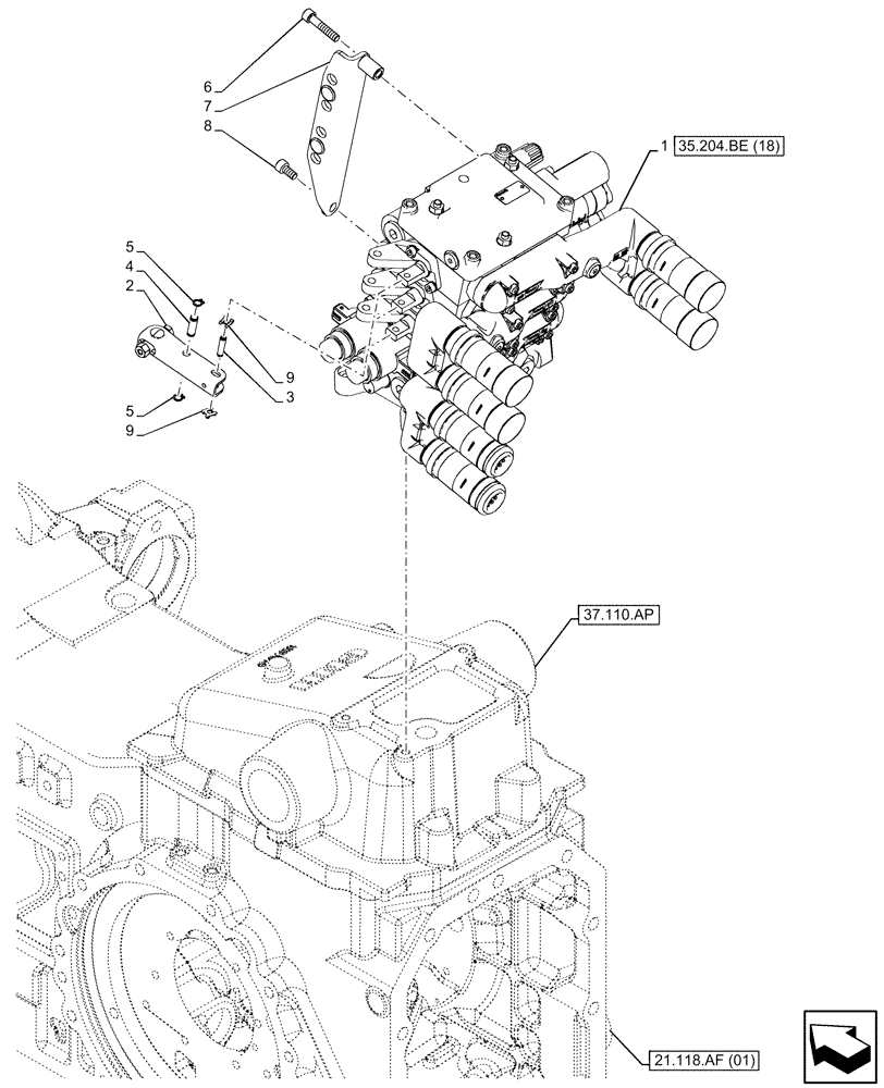
35.204.be (18)
2
5
5
9
1
7
4
8
9
6
3
21.118.af (01)
37.110.ap
FIT
1:1
100%

Артикул

Название

Примечание

Количество

1

47533217

REMOTE CONTROL VALVE

ASSY

1шт.

2

87358094

LEVER

3шт.

3

5193177

PIN,6mm OD x 29.48mm L

3шт.

4

5113008

PIN,8mm OD x 26mm L

3шт.

5

11065676

SNAP RING,M8, Ext

6шт.

6

14306721

HEX SOC SCREW,M8 x 48mm, Cl 8.8

1шт.

7

84486547

BRACKET

1шт.

8

14306221

HEX SOC SCREW,M8 x 16mm, Cl 8.8, Full Thd

1шт.

9

11063971

SPRING CLIP,M6

6шт.

Выбрано товаров: 9