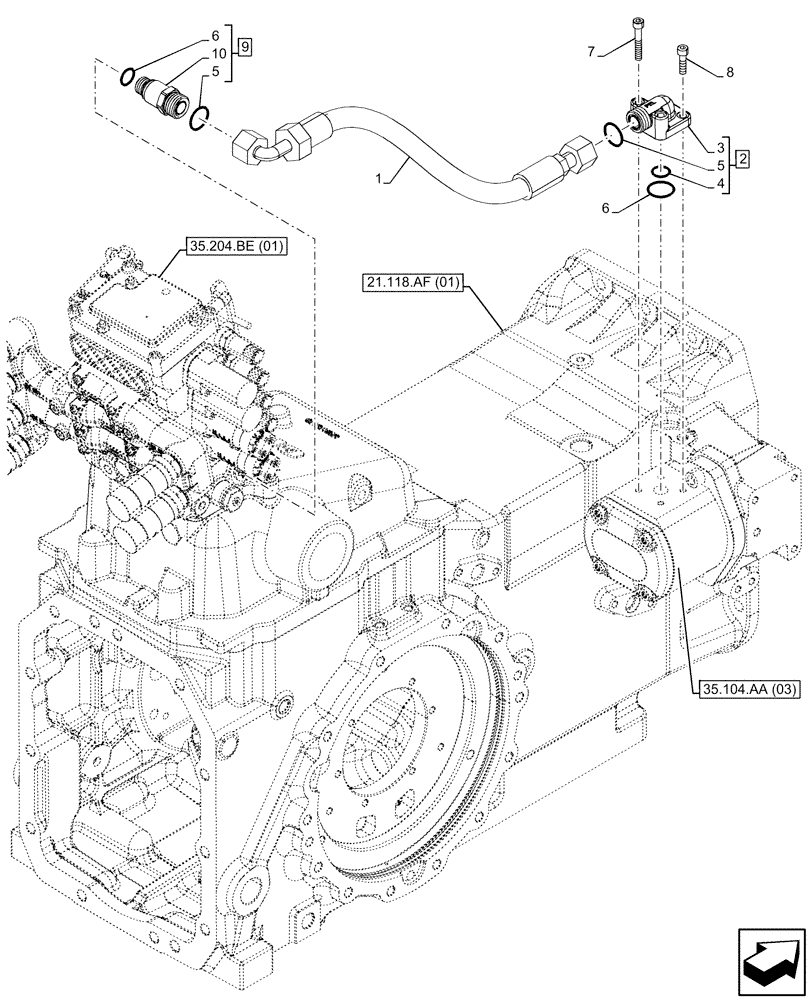
Запчасти Case IH MAXXUM 135 (35.204.BJ[04]) - VAR - 391828 - REMOTE CONTROL VALVE, HOSE (35) - HYDRAULIC SYSTEMS

Схема запчастей Case IH MAXXUM 135 - (35.204.BJ[04]) - VAR - 391828 - REMOTE CONTROL VALVE, HOSE (35) - HYDRAULIC SYSTEMS
35.104.aa (03)
3
5
5
9
8
6
10
7
6
4
1
2
21.118.af (01)
35.204.be (01)
FIT
1:1
100%

Артикул

Название

Примечание

Количество

1

87304916

HOSE,16mm ID x 640mm L, SAE 100R16

From Pump to Remote Valve

1шт.

2

47134223

FLANGE

ASSY, Incl 3, 4, 5 (Qty 1)

1шт.

3

NSS

NOT SOLD SEPARAT

Flange, Incl in 2

1шт.

4

14458381

O-RING,32.99mm ID x 2.62" Width

1шт.

5

5185513

O-RING,1.78mm Thk x 18.77mm ID, 85 Duro

2шт.

6

14438085

O-RING,19.3mm ID x 2.4mm

2шт.

7

14306921

HEX SOC SCREW,M8 x 50mm, Cl 8.8

2шт.

8

14306521

HEX SOC SCREW,M8 x 1.25 x 30mm, Cl 8.8

2шт.

9

47125148

HYD CONNECTOR

ASSY, Incl 5 (Qty 1), 6 (Qty 1), 10

1шт.

10

NSS

NOT SOLD SEPARAT

Connector, Incl in 9

1шт.

Выбрано товаров: 10