Запчасти Case IH MAXXUM 135 (35.701.AX[05]) - VAR - 758344, 758351 - FRONT LOADER HYDRAULIC SYSTEM, NA (35) - HYDRAULIC SYSTEMS

Схема запчастей Case IH MAXXUM 135 - (35.701.AX[05]) - VAR - 758344, 758351 - FRONT LOADER HYDRAULIC SYSTEM, NA (35) - HYDRAULIC SYSTEMS
82.100.ak (03)
15
6
14
24
19
23
5
15
5
4
5
16
6
7
20
1
2
12
22
17
7
7
5
18
21
17
16
5
3
14
13
21
7
13
11
4
5
6
12
6
4
10
9
22
4
8
35.204.bs (15)
35.204.bs (11)
FIT
1:1
100%

Артикул

Название

Примечание

Количество

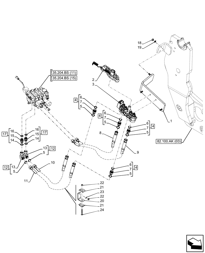
1

47681079

BRACKET

1шт.

2

47681549

DUST CAP

1шт.

3

47681462

HYD CONNECTOR

ASSY, Incl 2 (Qty 1)

1шт.

4

47681095

HYD CONNECTOR,7/8"-14 x 13/16"-16 ORFS

ASSY, Incl 5 (Qty 1), 6 (Qty 1), 7 (Qty 1)

4шт.

5

9992298

O-RING,0.07" Thk x 0.489" ID, -14, Cl 6, 90 Duro

6шт.

6

167269

O-RING,0.097" Thk x 0.755" ID, -910, Cl 6, 90 Duro

4шт.

7

NSS

NOT SOLD SEPARAT

Connector, Incl in 8

4шт.

8

47673495

PIPE

Loader Low

1шт.

9

47673501

PIPE

Loader Tip

1шт.

10

47729178

PIPE

Loader Raise

1шт.

11

47729180

PIPE

Loader Crowd

1шт.

12

84989383

90 ELBOW,90 Degree, 13/16"-16 ORFS x 13/16"-16 Fem Sw

ASSY, Incl 5 (Qty 1), 13 (Qty 1)

2шт.

13

NSS

NOT SOLD SEPARAT

Elbow, Incl in 12

2шт.

14

5185511

O-RING,1.78mm Thk x 12.42mm ID, 85 Duro

2шт.

15

NSS

NOT SOLD SEPARAT

Connector, Incl in 17

2шт.

16

14437985

O-RING,15.3mm ID x 2.4mm

2шт.

17

5185561

HYD CONNECTOR,Straight, M18 x 1.5 UN/UNF, 13/16"-16" ORFS

ASSY, Incl 14 (Qty 1), 15 (Qty 1), 16 (Qty 1)

2шт.

18

11701711

NUT,Hex, M10, Cl 8, ZND

2шт.

19

10516874

LOCK WASHER,10.2mm ID x 17.7mm OD x 2.5mm Thk

2шт.

20

47644316

BRACKET

1шт.

21

47057074

CLAMP,48.6mm x 30mm

2шт.

22

9706690

NUT,M8 x 1.25, Cl 8

2шт.

23

12638504

WASHER,8.15mm ID x 15mm OD x 1.5mm Thk

1шт.

24

16044224

BOLT,Hex, M8 x 1.25 x 50mm, Cl 8.8

1шт.

Выбрано товаров: 24