Запчасти Case IH MAXXUM 135 (37.000.00[02]) - SECTION INDEX - HITCHES, DRAWBARS AND IMPLEMENT COUPLINGS (37) - HITCHES, DRAWBARS & IMPLEMENT COUPLINGS

Схема запчастей Case IH MAXXUM 135 - (37.000.00[02]) - SECTION INDEX - HITCHES, DRAWBARS AND IMPLEMENT COUPLINGS (37) - HITCHES, DRAWBARS & IMPLEMENT COUPLINGS
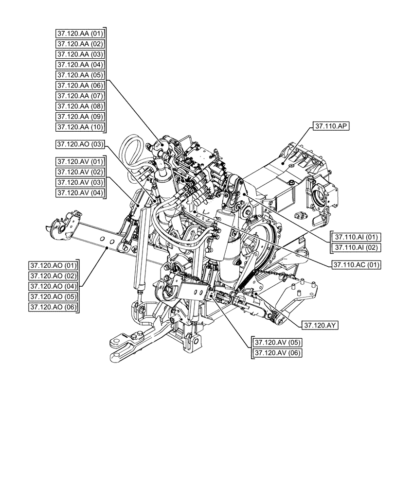
37.120.aa (06)
37.120.aa (10)
37.120.av (03)
37.110.ai (02)
37.120.av (02)
37.120.av (06)
37.120.aa (01)
37.120.aa (03)
37.120.ay
37.110.ai (01)
37.120.ao (01)
37.120.ao (03)
37.120.ao (04)
37.120.aa (05)
37.120.aa (04)
37.120.ao (05)
37.120.av (01)
37.120.ao (02)
37.120.av (04)
37.120.aa (07)
37.120.ao (06)
37.120.av (05)
37.120.aa (02)
37.120.aa (08)
37.110.ac (01)
37.110.ap
37.120.aa (09)
FIT
1:1
100%