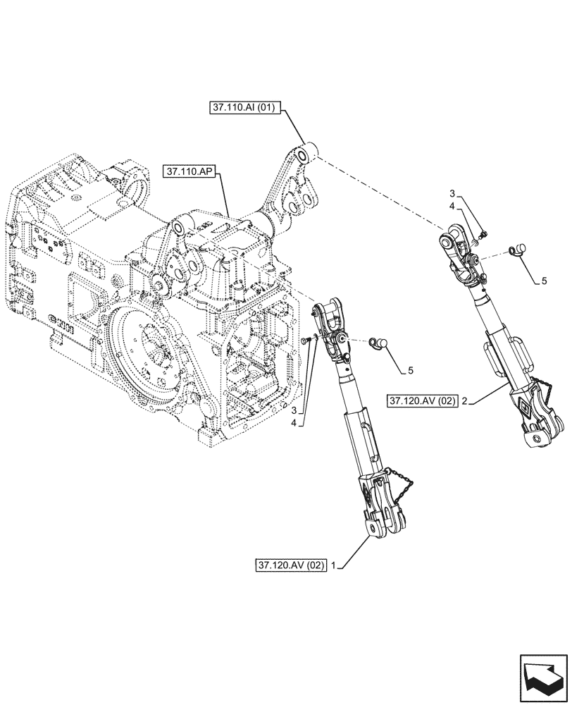
Запчасти Case IH MAXXUM 135 (37.120.AV[01]) - VAR - 390911, 743811 - 3 POINT HITCH, REAR, LIFT ARM (37) - HITCHES, DRAWBARS & IMPLEMENT COUPLINGS

Схема запчастей Case IH MAXXUM 135 - (37.120.AV[01]) - VAR - 390911, 743811 - 3 POINT HITCH, REAR, LIFT ARM (37) - HITCHES, DRAWBARS & IMPLEMENT COUPLINGS
37.110.ai (01)
4
5
1
5
4
2
3
3
37.120.av (02)
37.120.av (02)
37.110.ap
FIT
1:1
100%

Артикул

Название

Примечание

Количество

1

47133836

TIE-ROD

LH, ASSY

1шт.

2

47133835

TIE-ROD

RH, ASSY

1шт.

3

82034728

SET SCREW,Hex, M10 x 1.25 x 22mm, Cl 8.8

2шт.

4

14496611

WASHER,10.5mm ID x 21mm OD x 2mm Thk

2шт.

5

47983406

PLUG,Greasing point protection,

8шт.

Выбрано товаров: 5