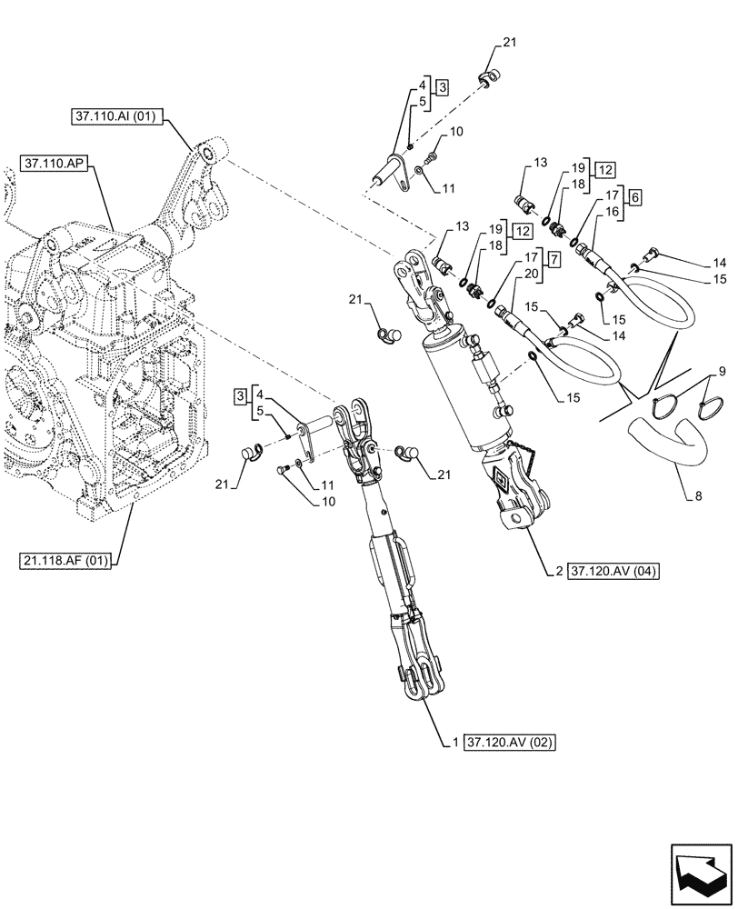
Запчасти Case IH MAXXUM 135 (37.120.AV[03]) - VAR - 390911, 743811 - 3 POINT HITCH, REAR, W/ HYDRAULIC LIFT ARM (37) - HITCHES, DRAWBARS & IMPLEMENT COUPLINGS

Схема запчастей Case IH MAXXUM 135 - (37.120.AV[03]) - VAR - 390911, 743811 - 3 POINT HITCH, REAR, W/ HYDRAULIC LIFT ARM (37) - HITCHES, DRAWBARS & IMPLEMENT COUPLINGS
37.110.ai (01)
12
18
3
5
11
13
21
21
19
16
21
6
2
14
5
13
19
17
15
17
1
4
11
15
10
20
18
15
7
3
15
10
12
8
21
14
4
9
37.120.av (04)
21.118.af (01)
37.110.ap
37.120.av (02)
FIT
1:1
100%

Артикул

Название

Примечание

Количество

1

47133836

TIE-ROD

LH

1шт.

2

47134361

LIFT LINK

RH

1шт.

3

47130642

PIN,25mm OD x 92mm L

ASSY, Incl 4 (Qty 1), 5 (Qty 1)

2шт.

4

47130640

PIN,25mm OD x 92mm L

2шт.

5

80714

LUBE NIPPLE,1/4"-28 NPT x .54" lg

2шт.

6

47767670

HOSE,8mm ID x 875mm L

ASSY, Adjust Link Rod, 8mm ID x 875mm, Incl 16, 17 (Qty 1)

1шт.

7

47780148

HOSE,8mm ID x 875mm L

ASSY, Adjust Link Piston, 8mm ID x 865mm, Incl 16, 17 (Qty 1), 20

1шт.

8

47783718

PROTECTIVE SLEEVE,77.3mm ID x 455mm L, Black

1шт.

9

14560287

CABLE TIE,207.00mm L

2шт.

10

82034728

SET SCREW,Hex, M10 x 1.25 x 22mm, Cl 8.8

2шт.

11

14496611

WASHER,10.5mm ID x 21mm OD x 2mm Thk

2шт.

12

5198413

HYD CONNECTOR,1/2" BSPP A13/16"-16"

ASSY, Incl 18 (Qty 1), 19 (Qty 1)

2шт.

13

83972881

COUPLING

2шт.

14

10184411

BANJO BOLT,M16 x 1.5 x 31mm, R50

2шт.

15

5167639

SEALING WASHER,13.4mm ID x 24mm OD x 1.5mm Thk

4шт.

16

NSS

NOT SOLD SEPARAT

Hose, Incl in 6

1шт.

17

9992298

O-RING,0.07" Thk x 0.489" ID, -14, Cl 6, 90 Duro

2шт.

18

NSS

NOT SOLD SEPARAT

Connector, Incl in 6

2шт.

19

5185511

O-RING,1.78mm Thk x 12.42mm ID, 85 Duro

2шт.

20

NSS

NOT SOLD SEPARAT

Hose, Incl in 7

1шт.

21

47983406

PLUG,Greasing point protection,

4шт.

Выбрано товаров: 21