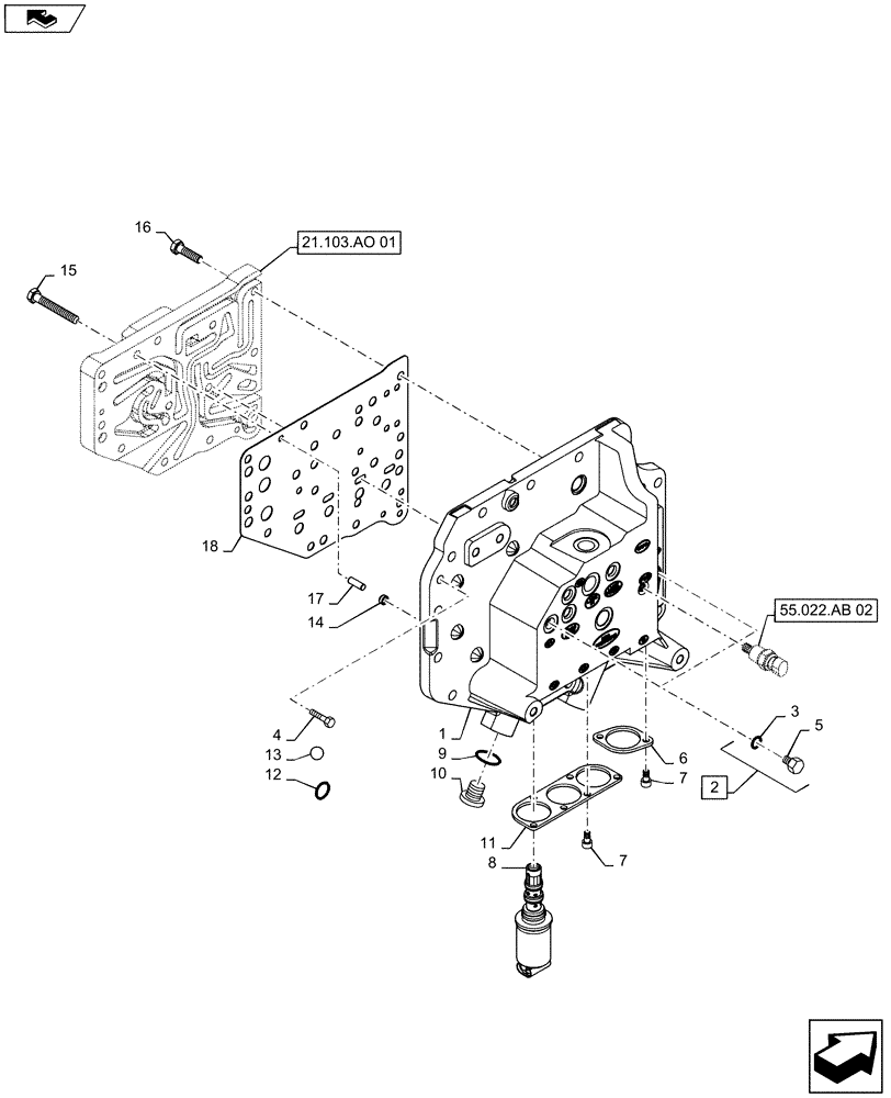
Запчасти Case IH MAXXUM 140 (21.103.AO[02]) - TRANSMISSION 16X16 AND 17X16 (40 KM/H), SPS - TRANSMISSION VALVE BLOCK (21) - TRANSMISSION

Схема запчастей Case IH MAXXUM 140 - (21.103.AO[02]) - TRANSMISSION 16X16 AND 17X16 (40 KM/H), SPS - TRANSMISSION VALVE BLOCK (21) - TRANSMISSION
4
21.103.ao 01
3
16
17
6
14
7
1
8
2
11
18
12
13
10
55.022.ab 02
home
15
7
9
5
FIT
1:1
100%

Артикул

Название

Примечание

Количество

1

47132363

COVER

1шт.

2

82857995

PLUG,7/16" - 20 ORB

Incl 3, 5

8шт.

3

82857994

O-RING,0.072" Thk x 0.351" ID, -904, Cl 6, 90 Duro

8шт.

4

11306924

BOLT,Hex, M10 x 1.25 x 30, 8.8, Full Thd

16шт.

5

NSS

NOT SOLD SEPARAT

Plug, Incl in 2

8шт.

6

5194826

BRACKET

1шт.

7

14305124

HEX SOC SCREW,M6 x 12mm, Cl 8.8, Full Thd

8шт.

8

87739558

SOLENOID VALVE,14W

C1/C2/C3/C4 Clutch Control

4шт.

8

87739558R

REMAN-SOLENOID

C1/C2/C3/C4 Clutch Control

1шт.

8

87739558C

CORE-SOLENOID

Return Number

1шт.

9

14437885

O-RING,13.30mm ID x 2.40mm

3шт.

10

10119311

PLUG,M16 x 1.5 x 12, Cl5.8

3шт.

11

5198334

PLATE

1шт.

12

81845038

O-RING,0.5" ID x 0.07" Thk

4шт.

13

82895053

BALL

3/8

5шт.

14

82001857

RESTRICTOR

4шт.

15

16044424

BOLT,Hex, M8 x 1.25 x 60mm, Cl 8.8

3шт.

16

16043824

SCREW,Hex, M8 x 1.25 x 30mm, Cl 8.8, Full Thd, DAC

9шт.

17

82969407

PIN

2шт.

18

82012862

GASKET,1mm Thk

1шт.

Выбрано товаров: 0