Запчасти Case IH MAXXUM 140 (31.114.AF[03]) - VAR - 330800 - 2 SPEED REAR PTO WITH REVERSIBLE SHAFT - GEARS, DRIVEN SHAFT AND OUTPUT SHAFT (31) - IMPLEMENT POWER TAKE OFF

Схема запчастей Case IH MAXXUM 140 - (31.114.AF[03]) - VAR - 330800 - 2 SPEED REAR PTO WITH REVERSIBLE SHAFT - GEARS, DRIVEN SHAFT AND OUTPUT SHAFT (31) - IMPLEMENT POWER TAKE OFF
13
21
28
5
15
10
29
31.114.ah 02
8
27
home
12
31.114.ah 02
31.114.ai 01
22
4
25
7
11
9
26
2
19
3
6
1
23
18
16
24
14
17
20
31.114.ai 01
FIT
1:1
100%

Артикул

Название

Примечание

Количество

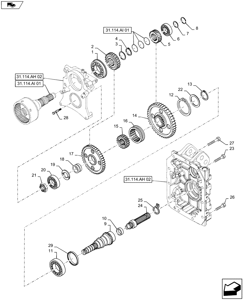
1

5182640

BALL BEARING,65mm ID x 120mm OD x 23mm W

1шт.

2

84306137

GEAR,26T, 28T

Driving, 1000 RPM

1шт.

3

5192262

THRUST WASHER,50.10mm ID x 60.00mm OD x 2.00mm

1шт.

4

5138419

SNAP RING,M50

1шт.

5

5197545

GEAR,17T, 40T

Driving, 540 RPM

1шт.

6

5151460

ROLLER BEARING,35mm ID x 72mm OD x 17mm W

1шт.

7

5154308

THRUST WASHER,35.1mm ID x 43mm OD x 2mm Thk

1шт.

8

5154307

SNAP RING,M35

1шт.

9

47131256

DRIVE SHAFT,26T, 12T, 22T

540/1000 RPM

1шт.

10

5198197

SEAL,10.00mm ID x 22.00mm OD x 7.50mm

1шт.

11

26794680

BALL BEARING,70.00mm x 125.00 x 24.00mm

1шт.

12

11076176

SNAP RING,M125, Int

1шт.

13

47132124

CIRCLIP,M70

1шт.

14

5197553

GEAR,24T, 62T

Drive, 540 RPM

1шт.

15

5197550

GEAR,26T Internal / 24T External

1шт.

16

5145798

SYNCHRONIZER,24T

1шт.

17

84306139

DRIVEN GEAR,24T, 54T

Drive, 1000 RPM

1шт.

18

5149115

BUSHING,49.4mm ID x 60mm OD x 35mm L

1шт.

19

5182629

ANTI-WRAP PLATE

1шт.

20

ST202

BEARING, BALL,45mm ID x 85mm OD x 19mm W

1шт.

21

5147930

RING NUT,M45 x 1.5

1шт.

22

47131734

RETAINER COLLAR,70mm ID x 93mm OD x 6.7mm Thk

1шт.

23

11254124

BOLT,Hex, M16 x 1.5 x 80mm, Cl 8.8

1шт.

24

87308746

PTO SHAFT,21T, 60T, 236.6mm L

540/1000 RPM

1шт.

25

87347166

SNAP RING,M45 x 3.12mm Thk, Ext

1шт.

26

15981024

SCREW,Hex, M16 x 1.5 x 55mm, Cl 8.8

2шт.

27

15981624

BOLT,Hex, M16 x 1.5 x 100mm, Cl 8.8

8шт.

28

87306972

PIN,19mm OD x 120.5mm L

1шт.

29

5196487

OIL SEAL,80.00mm ID x 100.00 OD x 10.00mm

1шт.

Выбрано товаров: 0