Запчасти Case IH MAXXUM 140 (00.000.10) - PICTORIAL INDEX - ENGINE (00) - GENERAL & PICTORIAL INDEX

Схема запчастей Case IH MAXXUM 140 - (00.000.10) - PICTORIAL INDEX - ENGINE (00) - GENERAL & PICTORIAL INDEX
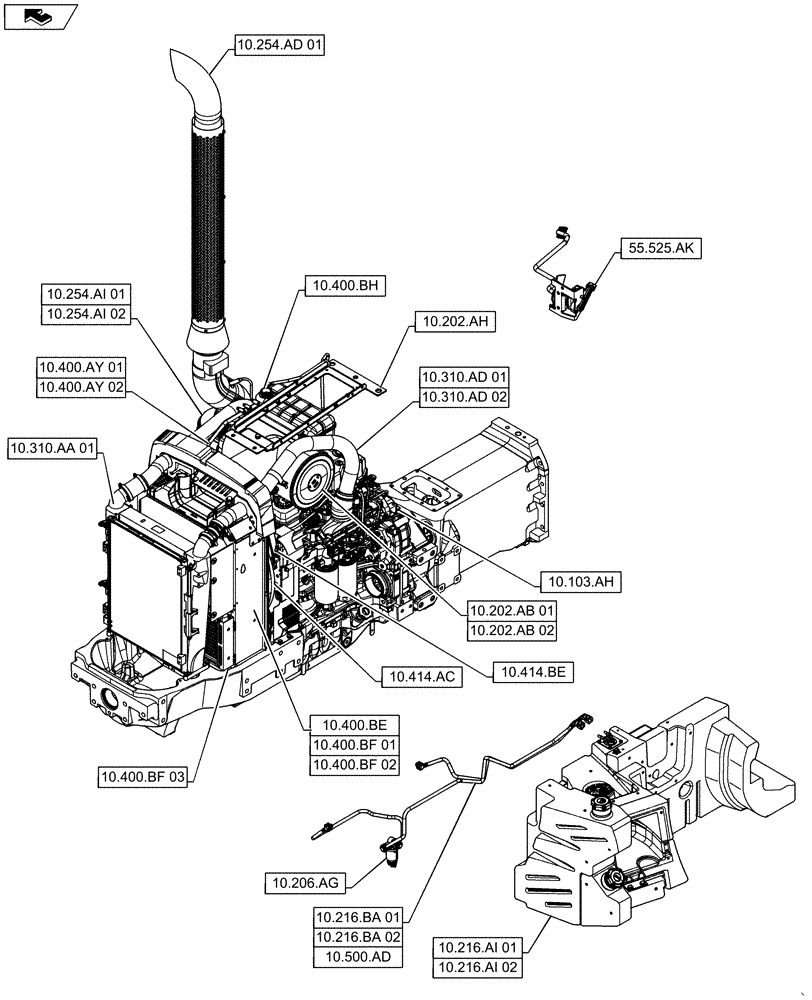
10.400.be
10.400.bf 02
10.216.ba 01
home
10.310.aa 01
10.400.bh
10.216.ai 02
10.400.bf 03
10.400.ay 01
10.400.ay 02
10.216.ba 02
10.202.ah
10.310.ad 02
55.525.ak
10.400.bf 01
10.310.ad 01
10.202.ab 02
10.500.ad
10.216.ai 01
10.254.ai 02
10.254.ad 01
10.202.ab 01
10.414.ac
10.254.ai 01
10.103.ah
10.414.be
10.206.ag
FIT
1:1
100%