Запчасти Case IH MAXXUM 140 (35.160.AB[05]) - VAR - 332926 - TUBES FOR FRONT HPL FROM MID MOUNT VALVES (35) - HYDRAULIC SYSTEMS

Схема запчастей Case IH MAXXUM 140 - (35.160.AB[05]) - VAR - 332926 - TUBES FOR FRONT HPL FROM MID MOUNT VALVES (35) - HYDRAULIC SYSTEMS
9
35.204.bs 02
6
35.160.ak
10
10
5
2
35.204.bs 01
4
8
1
3
6
7
home
FIT
1:1
100%

Артикул

Название

Примечание

Количество

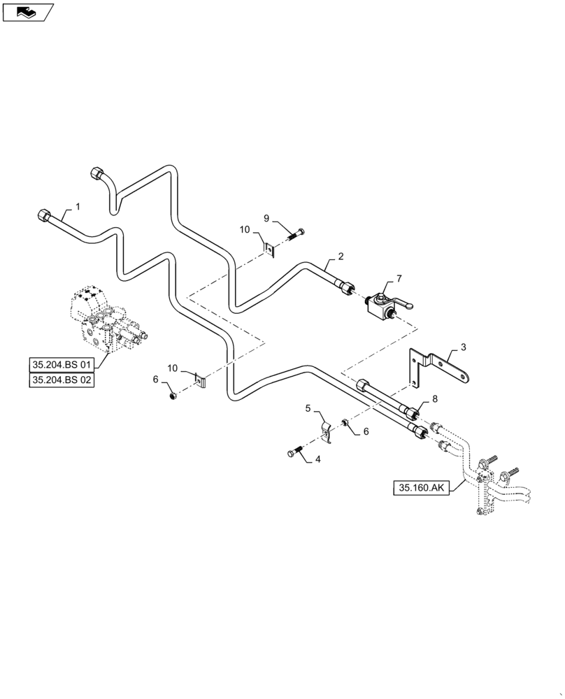
1

84177641

HYD TUBE

Lower, Maxxum 110, 120, 130

1шт.

1

84177651

TUBE

Lower, Maxxum 115, 125, 140

1шт.

2

84177642

HYD TUBE

Raise, Maxxum 110, 120, 130

1шт.

2

84177650

TUBE

Raise, Maxxum 115, 125, 140

1шт.

3

84177649

BRACKET

Maxxum 115, 125, 140

1шт.

4

43128

BOLT,M8 x 1.25 x 30mm, Cl 8.8

Maxxum 115, 125, 140

1шт.

5

84177648

CLAMP BRACKET

Maxxum 115, 125, 140

1шт.

6

9706690

NUT,M8 x 1.25, Cl 8

Qty 1 for Maxxum 110, 120, 130, Qty 2 for Maxxum 115, 125, 140

2шт.

7

84177647

CHECK VALVE

1шт.

8

84177655

TUBE

Maxxum 110, 120, 130

1шт.

8

84177652

TUBE

Maxxum 115, 125, 140

1шт.

9

300381

BOLT,Hex, M8 x 1.25 x 35mm, Cl 8.8

1шт.

10

47057074

CLAMP,48.6mm x 30mm

2шт.

Выбрано товаров: 13